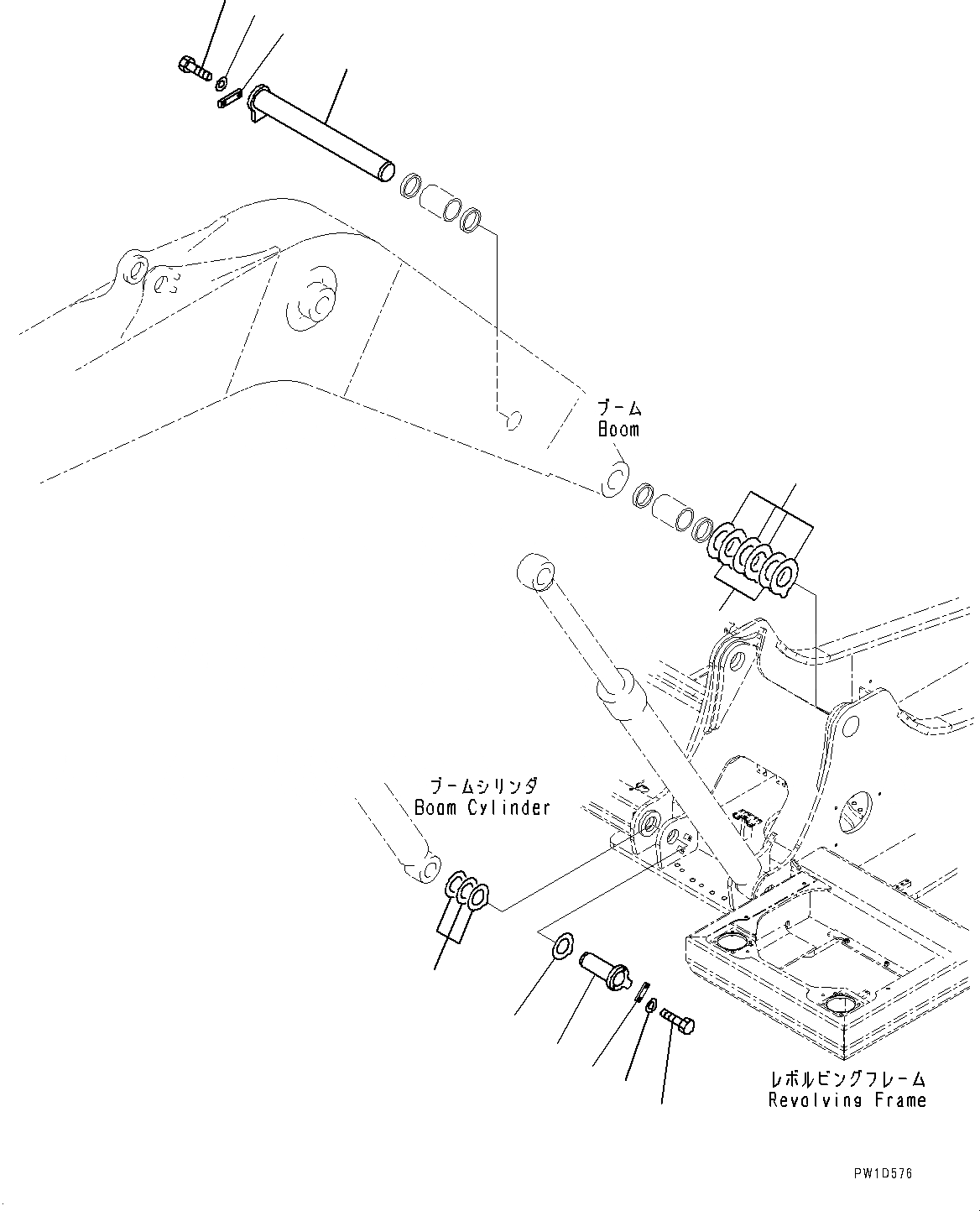
Запчасти Komatsu PC270-8 ПАЛЕЦ СТРЕЛЫ(№7-) СТРЕЛА НИЖН. ПАЛЕЦ, ЧАС. СИСТ. СМАЗКИ ТИП

Схема запчастей Komatsu PC270-8 - ПАЛЕЦ СТРЕЛЫ(№7-) СТРЕЛА НИЖН. ПАЛЕЦ, ЧАС. СИСТ. СМАЗКИ ТИП
12
11
10
9
8
7
6
4
3
2
1
5
FIT
1:1
100%

Артикул

Название

Примечание

Количество

1

206-70-55270

Pin

2

20Y-70-11190

Plate

3

01010-81640

Bolt

4

01643-31645

Washer

5

206-70-55250

Spacer, T=0.8mm

6

206-70-55260

Spacer, T=1.5mm

7

205-70-65750

Pin

8

205-70-66580

Plate

9

01010-81235

Bolt

10

01643-31232

Washer

11

20Y-70-11350

Spacer, T=0.8mm

12

206-70-55290

Spacer, T=1.5mm

Выбрано товаров: 12