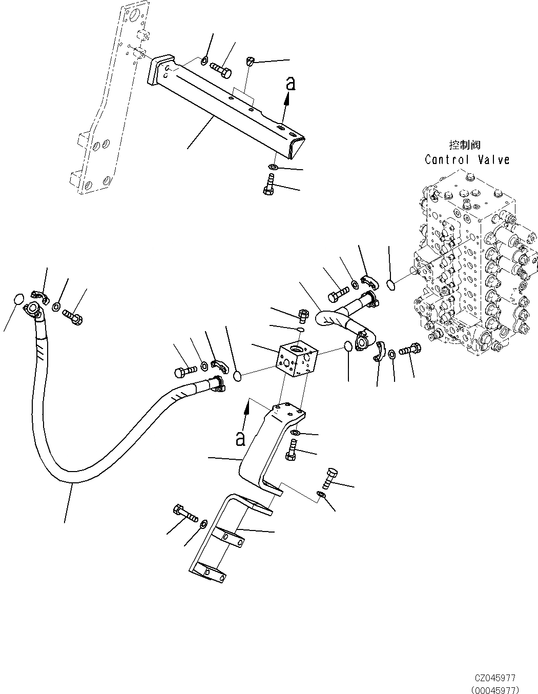
Запчасти Komatsu PC270-8 АКТУАТОР ТРУБЫ (ОСНОВН. ТРУБЫ, ЛЕВ.) H [ГИДРАВЛИКА]

Схема запчастей Komatsu PC270-8 - АКТУАТОР ТРУБЫ (ОСНОВН. ТРУБЫ, ЛЕВ.) H [ГИДРАВЛИКА]
29
11
33
32
30
31
28
10
9
8
22
21
20
18
27
26
25
7
6
5
23
3
2
1
14
13
4
17
16
15
12
19
24
19
24
FIT
1:1
100%

Артикул

Название

Примечание

Количество

1

20Y-62-51580

BLOCK

2

01010-81240

BOLT

3

01643-31232

WASHER

4

20Y-62-43222

BRACKET

5

07371-31049

FLANGE, SPLIT

6

07372-21035

BOLT

7

01643-51032

WASHER

8

07371-31049

FLANGE, SPLIT

9

07372-21035

BOLT

10

01643-51032

WASHER

11

07040-12412

PLUG

12

07002-12434

O-RING

13

01010-81240

BOLT

14

01643-31232

WASHER

15

206-62-26140

BRACKET

16

01010-81285

BOLT

17

01643-31232

WASHER

18

07098-01007

HOSE, FLANGE TYPE

19

07000-13032

O-RING

20

07371-31049

FLANGE, SPLIT

21

07372-21035

BOLT

22

01643-51032

WASHER

23

07097-21017

HOSE, FLANGE TYPE

24

07000-13032

O-RING

25

07371-31049

FLANGE, SPLIT

26

07372-21035

BOLT

27

01643-51032

WASHER

28

20Y-62-51181

FRAME

29

07049-01215

PLUG

30

01010-81250

BOLT

31

175-54-34170

WASHER

32

01010-81250

BOLT

33

01643-31232

WASHER

Выбрано товаров: 33