Запчасти Komatsu PC270-8 КАБИНА(ПОЛ, ПОДЛОКОТНИК, ЛЕВ.) K [КАБИНА ОПЕРАТОРА И СИСТЕМА УПРАВЛЕНИЯ]

Схема запчастей Komatsu PC270-8 - КАБИНА(ПОЛ, ПОДЛОКОТНИК, ЛЕВ.) K [КАБИНА ОПЕРАТОРА И СИСТЕМА УПРАВЛЕНИЯ]
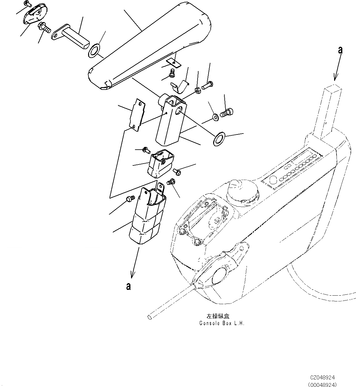
5
2
1
4
3
6
7
8
8
10
9
11
12
13
14
14
15
16
16
17
18
19
FIT
1:1
100%

Артикул

Название

Примечание

Количество

1

20Y-43-41143

ARMREST

2

20Y-43-41173

BRACKET

3

01252-80820

BOLT

4

01643-70823

WASHER

5

20Y-43-41162

PIN

6

01435-40816

BOLT

7

20Y-43-41152

SPRING

8

437-40-26240

WASHER

9

01245-00620

SCREW

10

01580-40605

NUT

11

20Y-43-41181

CAP

12

01023-20512

SCREW

13

20Y-43-41191

COVER

14

01370-40510

SCREW

15

20Y-43-41591

COVER

16

01023-20512

SCREW

17

20Y-43-41281

RUBBER

18

20Y-43-41461

PLATE

19

01370-40610

SCREW

Выбрано товаров: 19