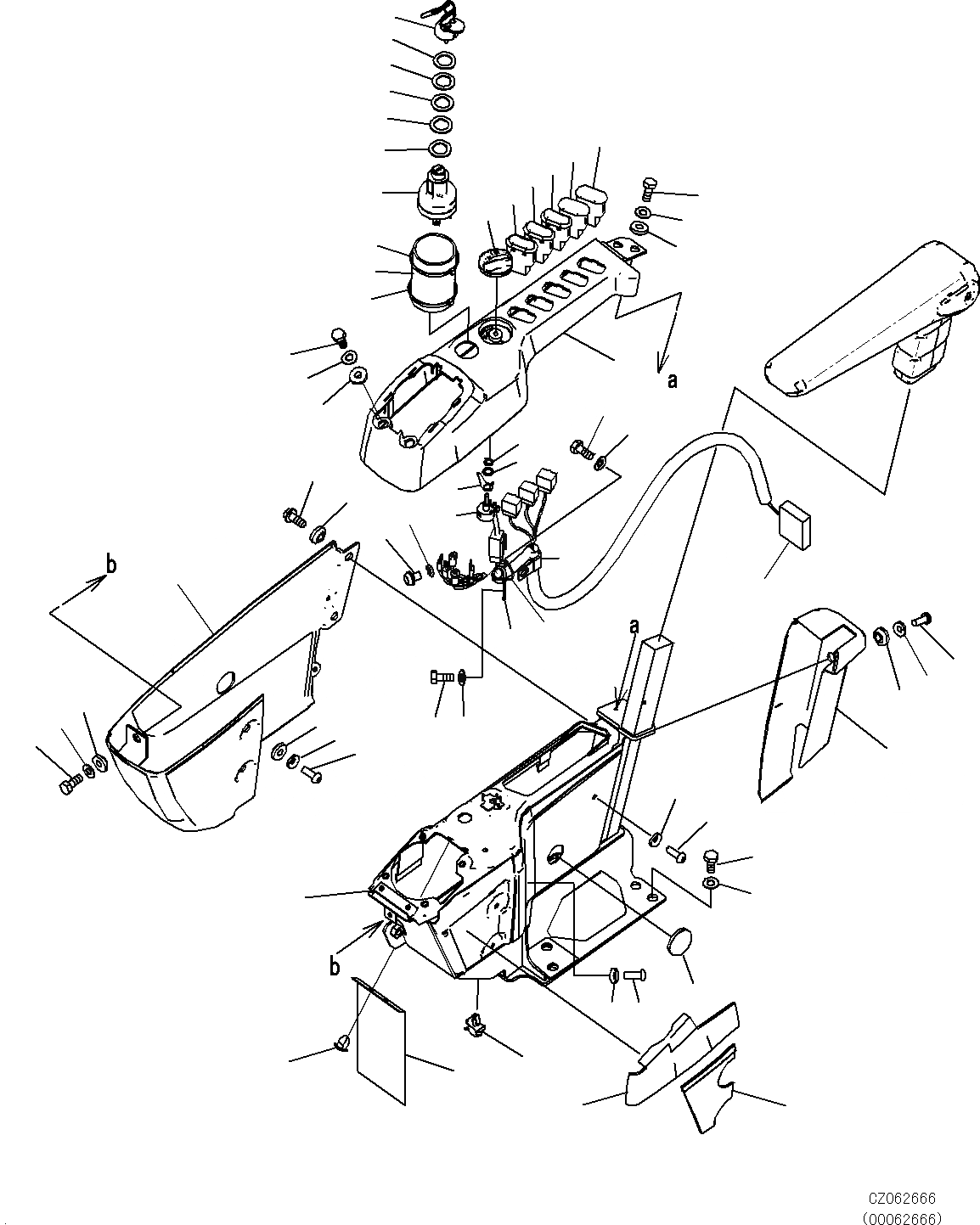
Запчасти Komatsu PC270-8 КАБИНА(ПОЛ, КОНСОЛЬ, ПРАВ.) K [КАБИНА ОПЕРАТОРА И СИСТЕМА УПРАВЛЕНИЯ]

Схема запчастей Komatsu PC270-8 - КАБИНА(ПОЛ, КОНСОЛЬ, ПРАВ.) K [КАБИНА ОПЕРАТОРА И СИСТЕМА УПРАВЛЕНИЯ]
37
26
37
28
37
28
17
7
28
47
27
29
35
36
26
9
34
10
31
11
30
31
9
10
45
11
46
32
32
33
18
42
32
41
44
12
39
40
20
21
18
22
16
18
49
48
14
15
13
19
24
23
2
3
1
25
24
23
43
6
5
8
4
FIT
1:1
100%

Артикул

Название

Примечание

Количество

42

01601-20513

WASHER

43

22U-43-23260

CLIP

44

04434-51710

CLIP

45

01010-81016

BOLT

46

01643-31032

WASHER

47

04434-51410

CLIP

48

01010-81016

BOLT

49

01643-31032

WASHER

Выбрано товаров: 0