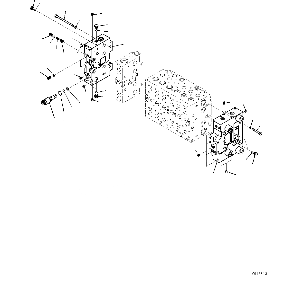
Запчасти Komatsu PC270-8 УПРАВЛЯЮЩ. КЛАПАН (-АКТУАТОР) (7-СЕКЦИОНН.) (8/) H [ГИДРАВЛИКА]

Схема запчастей Komatsu PC270-8 - УПРАВЛЯЮЩ. КЛАПАН (-АКТУАТОР) (7-СЕКЦИОНН.) (8/) H [ГИДРАВЛИКА]
5
5
2
2
21
7
6
2
7
5
6
22
21
20
19
18
17
16
14
15
13
12
11
10
9
8
7
6
4
3
2
1
5
FIT
1:1
100%

Артикул

Название

Примечание

Количество

|$1

723-47-23303

VALVE ASSEMBLY

|$2

723-46-00630

COVER ASSEMBLY

1

COVER

2

PLUG

3

PLUG

|$6

723-46-00790

COVER ASSEMBLY

4

COVER

5

PLUG

6

708-8E-16250

PLUG

7

07002-11823

O-RING

8

708-8H-11530

PLUG

9

07002-11423

O-RING

10

723-46-17600

PLUG ASSEMBLY

11

07002-11423

O-RING

12

07000-11007

O-RING

13

07001-01007

RING, BACK-UP

14

723-40-82220

FILTER

15

723-46-17550

PLUG

16

723-46-15190

VALVE

17

723-46-14140

SPRING

18

708-8E-16160

PLUG

19

07002-11023

O-RING

20

01011-61455

BOLT

21

01643-31445

WASHER

22

01010-61490

BOLT

Выбрано товаров: 25