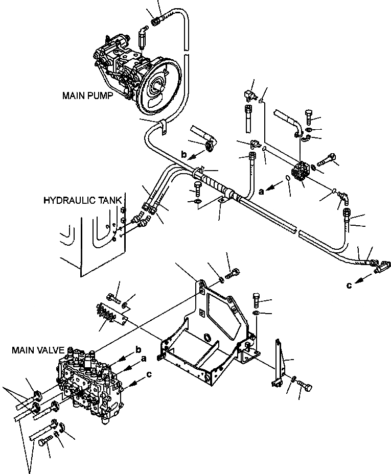
Запчасти Komatsu PC270LC-6LE FIG NO. H- ОСНОВН. КЛАПАН КОРПУС ГИДРАВЛИКА

Схема запчастей Komatsu PC270LC-6LE - FIG NO. H- ОСНОВН. КЛАПАН КОРПУС ГИДРАВЛИКА
32
31
19
20
17
37
18
16
21
16
28
14
36
22
15
28
34
12
35
13
24
32
30
23
33
31
29
29
30
4
5
1
10
11
2
3
9
6
25
39
8
7
25
27
26
38
FIT
1:1
100%

Артикул

Название

Примечание

Количество

1

20Y-62-A1340

BRACKET, MAIN CONTROL VALVE

2

01010-81655

BOLT

3

01643-31645

WASHER

4

01010-81650

BOLT

5

01643-31645

WASHER

6

20Y-62-27191

BRACKET - S/N A83001-A85000

6

20Y-62-27192

BRACKET - S/N A85001 AND UP

7

01010-81230

BOLT

8

01643-31232

WASHER

9

20Y-62-21263

BRACKET - S/N A83001-A85000

9

20Y-62-21264

BRACKET - S/N A85001 AND UP

10

01010-81235

BOLT

11

01643-31232

WASHER

12

702-21-09147

VALVE ASSEMBLY

13

21T-09-11460

O-RING

14

708-27-12560

BOLT

15

01643-51032

WASHER

16

07371-31049

FLANGE

17

07372-21035

BOLT

18

01643-51032

WASHER

19

21Y-62-17810

ELBOW ASSEMBLY

20

07002-12434

O-RING

21

07235-10210

ELBOW

22

07002-11423

O-RING

23

07235-10210

ELBOW

24

07002-11423

O-RING

25

07371-31049

FLANGE

26

07372-21035

BOLT

27

01643-51032

WASHER

|$29

20Y-62-27241

HOSE ASSEMBLY

28

203-62-52280

HOSE

29

20Y-62-22881

HOSE

30

20Y-62-22820

BAND - BLUE

31

07096-00221

HOSE

32

20Y-62-22810

BAND, YELLOW

33

04434-52712

CLIP

34

01010-81225

BOLT

35

01643-31232

WASHER

36

08034-00519

BAND, WHITE

37

04434-51512

CLIP

Выбрано товаров: 40