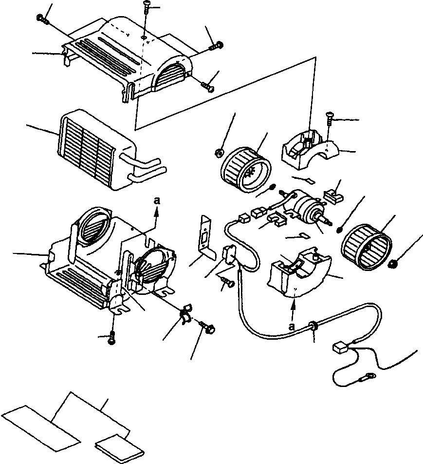
Запчасти Komatsu PC270LC-6LE FIG NO. K7-A ОБОГРЕВАТЕЛЬ. ASSEMBLY КАБИНА ОПЕРАТОРА И СИСТЕМА УПРАВЛЕНИЯ

Схема запчастей Komatsu PC270LC-6LE - FIG NO. K7-A ОБОГРЕВАТЕЛЬ. ASSEMBLY КАБИНА ОПЕРАТОРА И СИСТЕМА УПРАВЛЕНИЯ
20
10
20
2
20
14
10
3
4
8
17
18
15
15
5
14
17
18
11
16
1
13
9
12
20
21
10
6
19
7
22
FIT
1:1
100%

Артикул

Название

Примечание

Количество

|$0

20Y-977-2130

HEATER ASSEMBLY

1

ND116460-5560

CASE, LOWER

2

ND116460-5570

CASE, UPPER

3

ND116410-2853

RADIATOR

4

ND116221-0461

FAN, BLOWER

5

ND116221-0471

FAN, BLOWER

6

ND146681-7711

CLAMP

7

ND91570-06141

BOLT

8

ND017621-0172

HOLDER, HEATER

9

ND017621-0182

HOLDER, HEATER

10

ND90900-05161

SCREW

11

ND062500-3740

MOTOR ASSEMBLY

12

ND146810-8010

RESISTOR, BLOWER

13

ND146641-7720

PLATE

14

ND949056-2230

NUT

15

ND949011-7650

WASHER

16

ND146659-0340

PACKING

17

ND146622-4680

PACKING

18

ND146622-4690

PACKING

19

ND949321-2637

GROMMET

20

ND949001-1821

SCREW

21

ND146659-1350

PACKING

22

ND017300-0790

ACCESSORY ASSEMBLY

Выбрано товаров: 23