Запчасти Komatsu PC270LC-6LE FIG NO. A-AA STARTER - VOLT, . KIНИЗ.ATT ТИП R NIPPON DENSO 8- ДВИГАТЕЛЬ - SADE-

Схема запчастей Komatsu PC270LC-6LE - FIG NO. A-AA STARTER - VOLT, . KIНИЗ.ATT ТИП R NIPPON DENSO 8- ДВИГАТЕЛЬ - SADE-
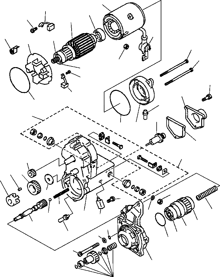
1
41
5
39
2
30
23
3
22
32
31
44
4
39
20
18
40
43
37
15
16
37
24
17
14
38
28
27
29
34
35
42
26
10
36
13
25
19
9
11
47
7
46
21
8
45
33
12
6
FIT
1:1
100%

Артикул

Название

Примечание

Количество

|$0

6736-81-4210

MOTOR, STARTER - PRODUCTION ONLY

|$1

1310 443 H91

MOTOR, STARTER - SERVICE

1

1308 948 H1

ASSEMBLY, STARTER YOKE

2

1308 949 H91

ASSEMBLY, STARTER ARMATURE

3

1308 950 H1

BEARING, BALL - 35 MM OD

4

1308 951 H1

BEARING, BALL - 35 MM OD

5

1308 952 H1

BEARING, BALL - 30 MM OD

|$7

1308 862 H91

SUB-ASSEMBLY, STARTER CLUTCH

6

1308 863 H1

KIT, STARTER PINION

7

1308 953 H91

KIT, STARTER CLUTCH SUB-ASSEMBLY

8

1308 865 H1

BEARING, FRONT BALL

9

1308 864 H1

BEARING, REAR BALL

10

1308 866 H1

SPRING, COMPRESSION COIL

11

1308 867 H1

SHAFT

12

1308 954 H1

HOUSING, STARTER

13

1308 955 H91

ASSEMBLY, MAGNETIC SWITCH

14

1308 956 H1

KIT, STARTER TERMINAL - KIT M

15

1308 957 H1

KIT, STARTER TERMINAL - KIT C

16

1308 958 H1

SUB-ASSEMBLY, PLUNGER

17

1308 872 H1

GASKET, SWITCH A

18

1308 873 H1

COVER, SOLENOID

19

1308 959 H1

SUB-ASSEMBLY, TERMINAL BOLT

20

1308 960 H1

BOLT - WITH WASHER

21

1308 875 H1

BUSHING, DRAIN

22

1308 961 H91

ASSEMBLY, STARTER BRUSH HOLDER

23

1308 962 H1

SPRING, BRUSH

24

1308 963 H1

FRAME, STARTER END

25

1308 879 H1

BALL, STEEL

26

1308 880 H1

SPRING, COMPRESSION COIL

27

1308 964 H1

PINION, STARTER

28

1308 882 H1

ROLLER, CLUTCH

29

1308 883 H1

RETAINER

30

1308 855 H1

COVER

31

1308 965 H1

BOLT, THRU - M7 X L144.5

32

1308 966 H1

BOLT, THRU - M7 X L206

33

1308 890 H1

SCREW - M6 X L50

34

1308 893 H1

NUT, HEX - M10 X L6

35

1308 884 H1

RETAINER, SNAP

36

1308 894 H1

WASHER, SPRING - M10

37

1308 967 H1

SEAL, STARTER

38

1308 968 H1

PINION, STARTER

39

1308 889 H1

SCREW - WITH WASHER - M5 X L9.4

40

1308 969 H1

SUB-ASSEMBLY, STARTER BRUSH

41

1308 970 H1

SUB-ASSEMBLY, STARTER BRUSH

42

1308 892 H1

SCREW - WITH WASHER - M5 X L8

43

1308 895 H1

COVER

44

1308 898 H1

NUT - M10

45

1308 971 H1

O-RING - 47.2 MM ID

46

1308 897 H1

WASHER, PLATE - T1

47

1308 891 H1

O-RING - 4.8 MM ID

Выбрано товаров: 50