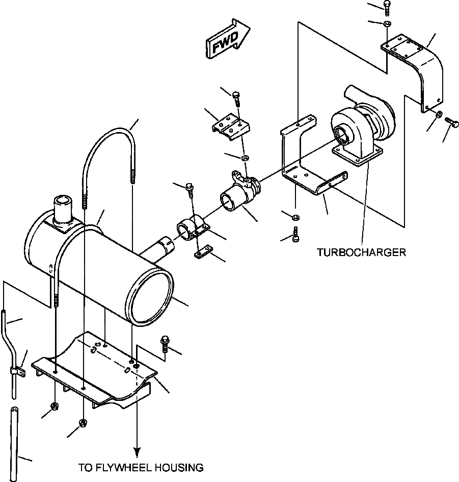
Запчасти Komatsu PC270LC-6LE FIG NO. B-A ГЛУШИТЕЛЬ КОМПОНЕНТЫ ДВИГАТЕЛЯ

Схема запчастей Komatsu PC270LC-6LE - FIG NO. B-A ГЛУШИТЕЛЬ КОМПОНЕНТЫ ДВИГАТЕЛЯ
15
16
17
14
13
2
16
15
21
6
2
19
18
9
4
20
5
1
10
12
8
7
3
3
11
FIT
1:1
100%

Артикул

Название

Примечание

Количество

1

206-01-K1150

MUFFLER

2

6222-11-5940

U-BOLT

3

01594-01008

NUT

4

6210-11-5232

CLAMP

5

6206-11-5850

PLATE

6

01435-01235

BOLT

7

6207-11-5431

BRACKET

8

01435-01025

BOLT

9

6735-11-5611

TUBE

10

6209-11-5480

TUBE, DRAIN

11

07260-20950

HOSE

12

07285-00155

CLIP

13

6732-81-8450

COVER

14

01435-01020

BOLT

15

01010-80816

BOLT

16

6201-81-6560

SPACER

17

207-01-68330

COVER, HEAT SHIELD

18

206-01-A8410

BRACKET

19

01643-31032

WASHER

20

01010-81025

BOLT

21

6201-81-6560

SPACER

Выбрано товаров: 21