Запчасти Komatsu PC270LC-8 КАБИНА, КОМПОНЕНТЫ (/) (№7-) КАБИНА, -ДОПОЛН. АКТУАТОР ТРУБЫ, АККУМУЛЯТОР, АВТОМАТИЧ. КОНДИЦ. ВОЗДУХА, МАСТЕР КЛЮЧ

Схема запчастей Komatsu PC270LC-8 - КАБИНА, КОМПОНЕНТЫ (/) (№7-) КАБИНА, -ДОПОЛН. АКТУАТОР ТРУБЫ, АККУМУЛЯТОР, АВТОМАТИЧ. КОНДИЦ. ВОЗДУХА, МАСТЕР КЛЮЧ
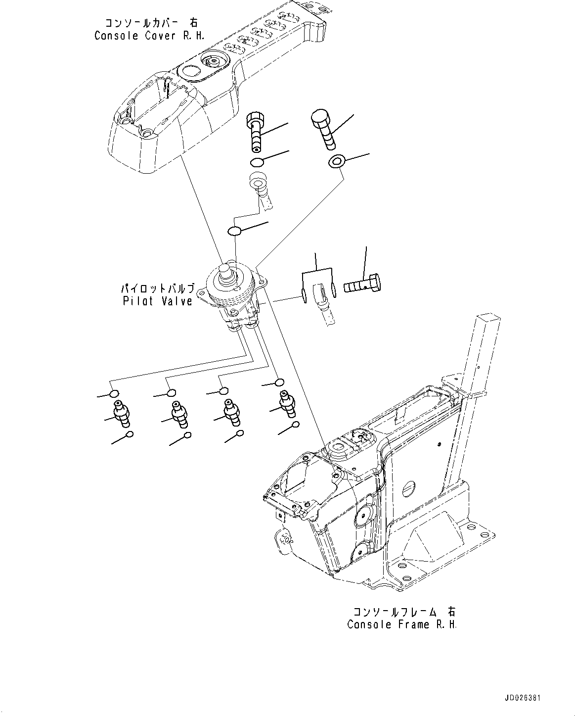
7
11
8
10
11
9
9
11
11
10
8
7
4
4
2
5
6
3
1
FIT
1:1
100%

Артикул

Название

Примечание

Количество

1

01010-80820

Bolt

2

01643-30823

Washer

3

20Y-62-18910

Plug

4

07000-12018

O-ring

5

20Y-62-18890

Bolt, Joint

6

07000-12015

O-ring

7

11Y-62-12130

Nipple

8

02896-11008

O-ring

9

11Y-62-12520

Union

10

02896-11009

O-ring

11

07002-11423

O-ring

Выбрано товаров: 0