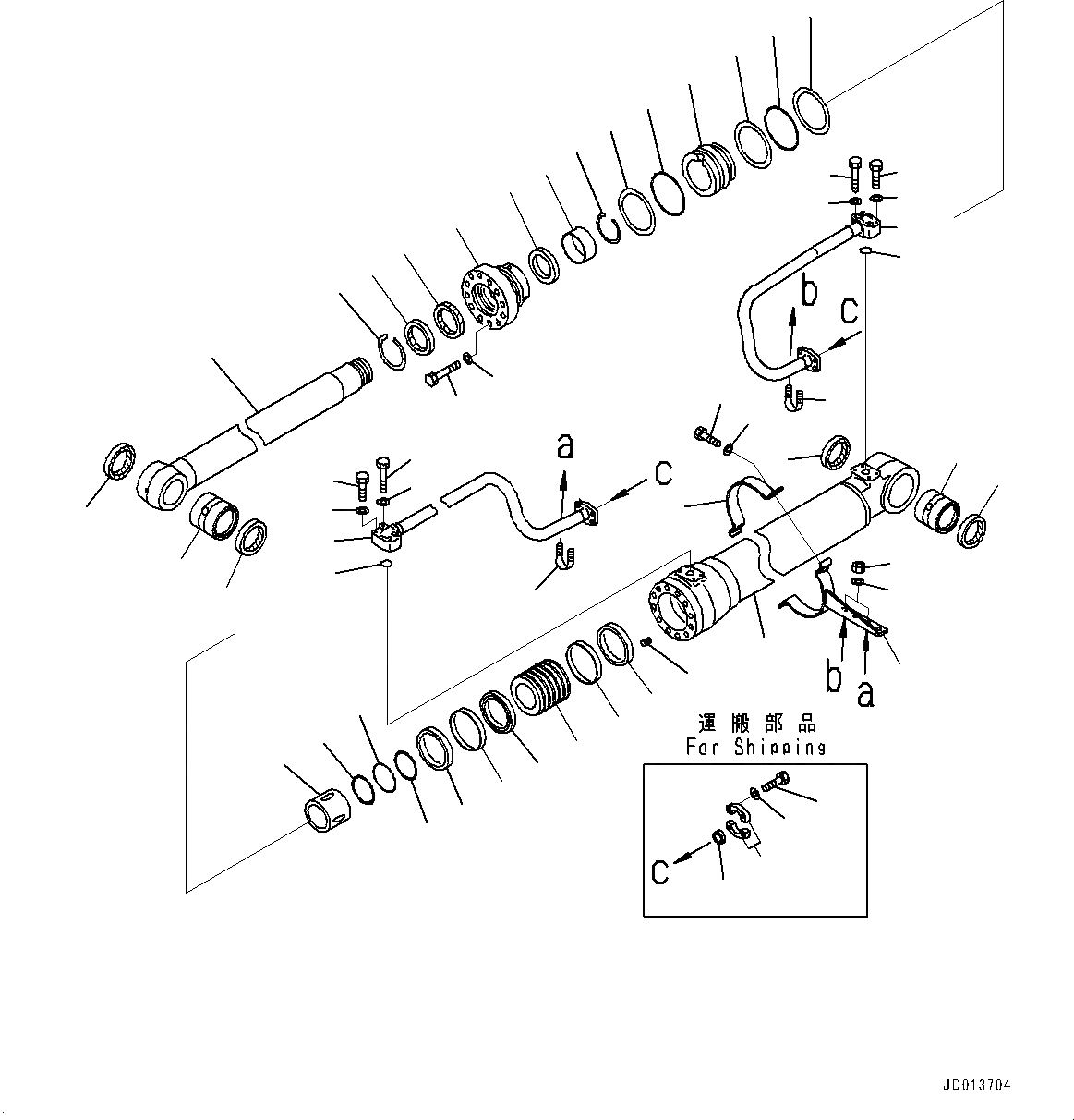
Запчасти Komatsu PC270LC-8 ЦИЛИНДР СТРЕЛЫ, ПРАВ. (№7-) ЦИЛИНДР СТРЕЛЫ, ЧАС. СМАЗКА INTERVAL

Схема запчастей Komatsu PC270LC-8 - ЦИЛИНДР СТРЕЛЫ, ПРАВ. (№7-) ЦИЛИНДР СТРЕЛЫ, ЧАС. СМАЗКА INTERVAL
43
41
39
40
43
21
4
33
42
44
40
30
25
25
26
24
27
44
41
42
6
8
27
24
14
12
35
34
33
38
32
31
9
8
7
10
23
22
20
19
16
17
18
15
13
11
6
5
2
4
3
1
38
36
28
39
37
29
FIT
1:1
100%

Артикул

Название

Примечание

Количество

|$0

707-01-0K381

Cylinder Assembly

1

707-13-14860

Cylinder

2

707-58-10801

Rod, Piston

3

707-76-80010

Bushing

4

07145-00080

Seal, Dust, (Kit : K03)

5

707-76-80010

Bushing

6

07145-00080

Seal, Dust, (Kit : K03)

7

707-71-35020

Collar

8

707-35-91420

Ring, Back-up, (Kit : K03)

9

07000-15130

O-ring, (Kit : K03)

10

707-71-71020

Plunger

11

707-27-14690

Head, Cylinder

12

707-56-10740

Seal, Dust, (Kit : K03)

13

07179-13114

Ring, Snap

14

707-52-90781

Bushing

15

707-51-10030

Packing, Rod, (Kit : K03)

16

707-51-10650

Ring, Buffer, (Kit : K03)

17

707-35-91420

Ring, Back-up, (Kit : K03)

18

07000-15130

O-ring, (Kit : K03)

19

01010-81875

Bolt

20

707-41-11840

Washer

21

707-75-10160

Ring, Snap

22

707-36-14650

Piston

23

707-44-14150

Ring, Piston, (Kit : K03)

24

707-39-14110

Ring, Wear, (Kit : K03)

25

07001-05090

Ring, Back-up, (Kit : K03)

26

07000-15090

O-ring, (Kit : K03)

27

707-44-14910

Ring

28

01310-01216

Screw

29

707-86-66200

Tube,R.H.

30

206-63-54680

Tube,R.H.

31

707-88-28230

Bracket,R.H.

32

707-88-21321

Band

33

07283-32738

Clip, Pipe

34

01597-01009

Nut

35

01643-31032

Washer

36

707-88-33030

Cap

37

07371-30640

Flange, Split

38

07372-21035

Bolt

39

01643-51032

Washer

40

07372-21060

Bolt

41

01643-51032

Washer

42

07372-21045

Bolt

43

01643-51032

Washer

44

07000-13030

O-ring, (Kit : K03)

Выбрано товаров: 45