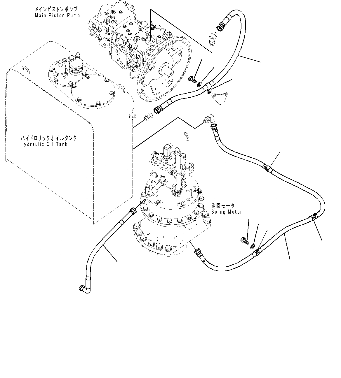
Запчасти Komatsu PC270LC-8 ДРЕНАЖН. ТРУБЫ (№7-) ДРЕНАЖН. ТРУБЫ

Схема запчастей Komatsu PC270LC-8 - ДРЕНАЖН. ТРУБЫ (№7-) ДРЕНАЖН. ТРУБЫ
1
3
3
3
4
2
7
6
8
5
9
FIT
1:1
100%

Артикул

Название

Примечание

Количество

1

02763-00509

Hose

2

20Y-62-42471

Hose

3

04434-52312

Clip

4

01010-81225

Bolt

5

01643-31232

Washer

6

20Y-62-43870

Hose

7

04434-52712

Clip

8

01010-81225

Bolt

9

01643-31232

Washer

Выбрано товаров: 9