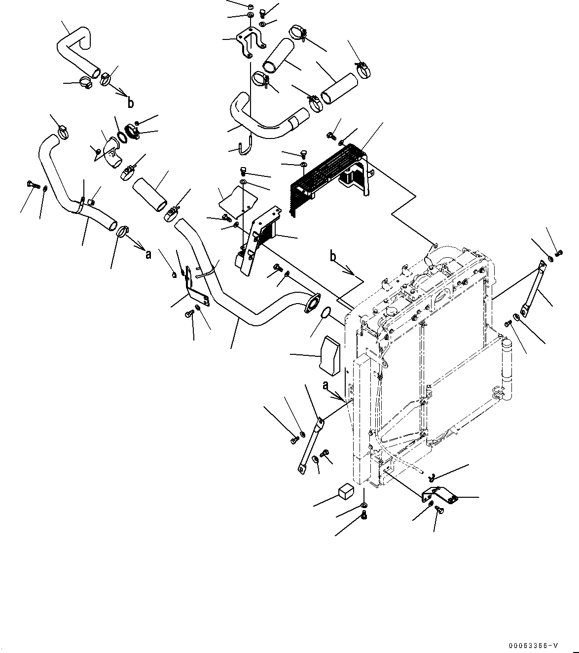
Запчасти Komatsu PC270LC-8 СИСТЕМА ОХЛАЖДЕНИЯ, ЗАЩИТА ВЕНТИЛЯТОРА И ПОСЛЕОХЛАДИТЕЛЬ ТРУБЫ (№7-) СИСТЕМА ОХЛАЖДЕНИЯ, БЕЗ АВТОМАТИЧ. КОНДИЦ. ВОЗДУХА

Схема запчастей Komatsu PC270LC-8 - СИСТЕМА ОХЛАЖДЕНИЯ, ЗАЩИТА ВЕНТИЛЯТОРА И ПОСЛЕОХЛАДИТЕЛЬ ТРУБЫ (№7-) СИСТЕМА ОХЛАЖДЕНИЯ, БЕЗ АВТОМАТИЧ. КОНДИЦ. ВОЗДУХА
1
2
2
3
5
6
7
8
9
10
11
12
13
14
15
16
16
17
18
18
19
20
22
21
23
23
24
24
25
25
26
33
34
29
30
31
32
33
27
34
28
40
41
41
42
42
43
43
44
45
46
47
48
54
55
56
57
58
4
4
49
50
35
38
39
36
37
51
53
52
FIT
1:1
100%

Артикул

Название

Примечание

Количество

1

206-03-21151

Hose

2

07299-00070

Clamp

3

20Y-03-41181

Hose

4

21T-62-69711

Clamp, Hose

5

206-03-21621

Tube

6

07000-E2065

O-ring

7

01010-81030

Bolt

8

01643-31032

Washer

9

206-03-21651

Bracket

10

01010-81230

Bolt

11

01643-31232

Washer

12

07283-37060

Clip, Pipe

13

01643-31032

Washer

14

01597-01009

Nut

15

206-03-22141

Hose

16

07289-00055

Clamp

17

206-03-21611

Hose

18

07289-00055

Clamp

19

208-62-38370

Clip

20

01010-81035

Bolt

21

01643-31032

Washer

22

201-03-29160

Spacer

23

20Y-03-32660

Stay

24

01010-81635

Bolt

25

01643-31645

Washer

26

20Y-03-41611

Guard

27

01010-81025

Bolt

28

01643-31032

Washer

29

20Y-03-41622

Guard

30

20Y-03-41811

Bracket

31

01010-81020

Bolt

32

01643-31032

Washer

33

01010-81025

Bolt

34

01643-31032

Washer

35

6738-11-4320

Pipe

36

07043-70108

Plug

37

6738-11-4370

O-ring

38

6738-11-4380

Clamp

39

6738-11-4390

Nut

40

20Y-03-41161

Hose

41

21T-62-69711

Clamp, Hose

42

01010-81635

Bolt

43

21T-54-16150

Washer

44

01010-81640

Bolt

45

01643-31645

Washer

46

01010-81030

Bolt

47

01643-31032

Washer

48

206-03-43340

Clip

49

206-03-22371

Sheet

50

20Y-03-41831

Sheet

51

20Y-62-51481

Bracket

52

01010-81225

Bolt

53

01643-31232

Washer

54

206-03-22662

Tube

55

206-03-22740

Bracket

56

07283-37060

Clip, Pipe

57

01643-31032

Washer

58

01597-01009

Nut

Выбрано товаров: 58