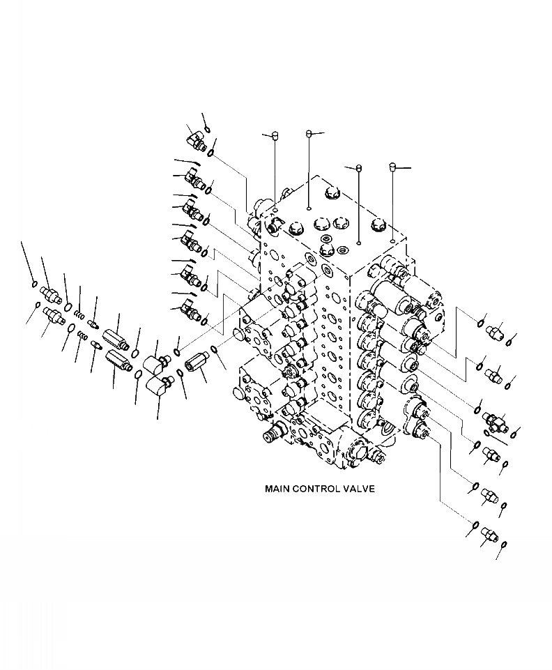
Запчасти Komatsu PC270LC-8 H-A ОСНОВН. КРЕПЛЕНИЕ КОНТРОЛЬНОГО КЛАПАНА ГИДРАВЛИКА

Схема запчастей Komatsu PC270LC-8 - H-A ОСНОВН. КРЕПЛЕНИЕ КОНТРОЛЬНОГО КЛАПАНА ГИДРАВЛИКА
10
9
17
1
2
4
1
2
17
3
8
17
7
8
26
17
7
23
4
25
17
3
24
22
8
17
17
21
7
15
27
16
20
26
19
23
17
5
25
24
6
20
22
18
17
21
11
20
27
12
19
12
17
13
14
17
5
6
17
13
14
FIT
1:1
100%

Артикул

Название

Примечание

Количество

1

07049-01012

PLUG

2

07049-01215

PLUG

3

20Y-62-45620

ELBOW

4

02896-11008

O-RING

5

20Y-62-45610

NIPPLE

6

02896-11008

O-RING

7

11Y-62-12160

ELBOW

8

02896-11008

O-RING

9

02782-10311

ELBOW

10

02896-11009

O-RING

11

11Y-62-12330

TEE

12

02896-11008

O-RING

13

11Y-62-12130

NIPPLE

14

02896-11008

O-RING

15

11Y-62-12520

NIPPLE

16

02896-11009

O-RING

17

07002-11423

O-RING

18

20Y-62-22160

ADAPTER

19

20F-61-12460

ELBOW

20

07002-11423

O-RING

21

20Y-62-41602

VALVE ASSEMBLY

|$21

NSS

BODY

22

20Y-60-22270

POPPET

23

20Y-62-41971

NIPPLE

24

701-20-61230

SPRING

25

07002-11423

O-RING

26

02896-11008

O-RING

27

07002-11423

O-RING

Выбрано товаров: 28