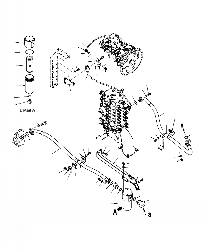
Запчасти Komatsu PC270LC-8 H7-A ГИДРОЛИНИЯ НАВЕСН. ОБОРУД ВОЗВРАТНАЯ ЛИНИЯ ГИДРАВЛИКА

Схема запчастей Komatsu PC270LC-8 - H7-A ГИДРОЛИНИЯ НАВЕСН. ОБОРУД ВОЗВРАТНАЯ ЛИНИЯ ГИДРАВЛИКА
47
1
45
43
6
46
44
41
48
46
4
49
45
35
47
2
36
32
42
5
3
31
22
38
23
37
40
32
39
8
26
15
19
27
14
24
18
13
34
16
33
17
11
29
12
25
30
24
28
20
21
19
7
10
8
9
1
FIT
1:1
100%

Артикул

Название

Примечание

Количество

|$0

20Y-970-2700

FILTER, HYDRAULIC

1

NSS

HEAD

2

NSS

CASE

3

NSS

PLUG

4

20Y-970-1820

FILTER

5

07000-12014

O-RING

6

07000-12115

O-RING

7

20Y-62-43351

FLANGE

8

07002-14234

O-RING

9

20Y-62-43361

ELBOW

10

07002-14234

O-RING

11

01010-81230

BOLT

12

01643-31232

WASHER

13

20Y-62-51280

FRAME

14

01010-81225

BOLT

15

01643-31232

WASHER

16

01010-81230

BOLT

17

01643-31232

WASHER

18

20Y-62-43311

HOSE

19

07000-13038

O-RING

20

01010-81035

BOLT

21

01643-31032

WASHER

22

01010-81035

BOLT

23

01643-31032

WASHER

24

07094-11024

CLAMP

25

07095-01038

CUSHION

26

01010-81280

BOLT

27

01643-31232

WASHER

28

20Y-62-43320

BRACKET

29

01010-81225

BOLT

30

01643-31232

WASHER

31

20Y-62-51321

HOSE

32

07000-13038

O-RING

33

01010-81035

BOLT

34

01643-31032

WASHER

35

01010-81040

BOLT

36

01643-31032

WASHER

37

07095-01241

CUSHION

38

21K-62-72810

CLAMP

39

01010-81225

BOLT

40

01643-31232

WASHER

42

20Y-62-51781

BRACKET

43

01010-81075

BOLT

44

01643-31032

WASHER

45

02782-10214

ELBOW

46

07002-12034

O-RING

47

02896-11008

O-RING

48

01010-81225

BOLT

49

01643-31232

WASHER

Выбрано товаров: 49