Запчасти Komatsu PC270LC-8 H8-A ГИДРОЛИНИЯ ЛИНИЯ LSС АКТУАТОР ГИДРАВЛИКА

Схема запчастей Komatsu PC270LC-8 - H8-A ГИДРОЛИНИЯ ЛИНИЯ LSС АКТУАТОР ГИДРАВЛИКА
2
3
17
5
4
17
1
15
16
7
12
10
8
9
6
17
11
13
14
1
4
5
2
3
7
6
FIT
1:1
100%

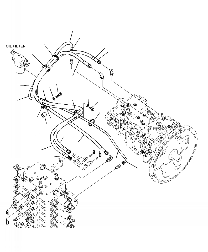
Артикул

Название

Примечание

Количество

1

20Y-62-53650

HOSE, FACE SEAL TYPE

2

20Y-62-53660

HOSE, FACE SEAL TYPE

3

20Y-62-22790

BAND, RED

4

02777-00214

HOSE, FACE SEAL TYPE

5

20Y-62-22820

BAND, BLUE

6

20Y-62-51922

HOSE ASSEMBLY, L = 1250 MM

7

20Y-62-22810

BAND, YELLOW

8

04435-51612

CLIP

9

01010-81220

BOLT

10

01643-31232

WASHER

11

04435-51612

CLIP

12

04434-51312

CLIP

13

04434-51612

CLIP

14

195-33-11220

SPACER

15

01010-81255

BOLT

16

01643-31232

WASHER

17

08034-20536

BAND

Выбрано товаров: 17