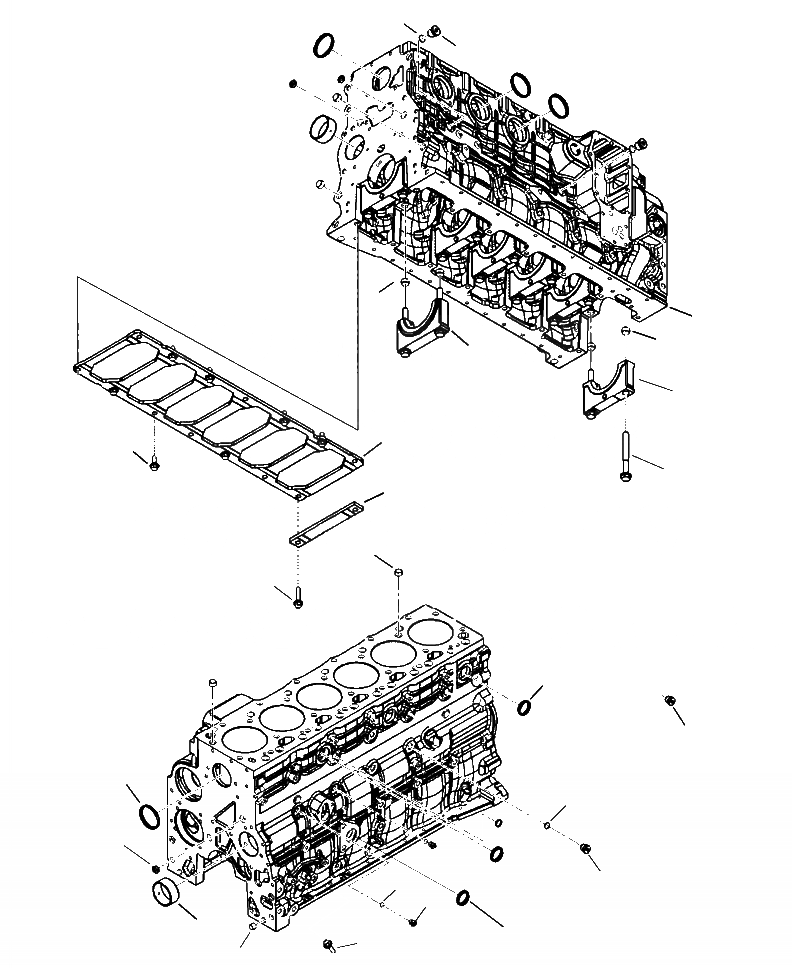
Запчасти Komatsu PC270LC-8 A-AA БЛОК ЦИЛИНДРОВ ДВИГАТЕЛЬ

Схема запчастей Komatsu PC270LC-8 - A-AA БЛОК ЦИЛИНДРОВ ДВИГАТЕЛЬ
1
2
16
19
14
17
15
11
9
12
23
7
10
21
25
18
3
22
4
6
5
13
24
8
20
FIT
1:1
100%

Артикул

Название

Примечание

Количество

|$0

6560-81-7110

PLUG, THREADED

1

6560-81-7130

SEAL, O-RING

2

NSS

PLUG, THREADED

|$3

6735-21-1910

PLUG, THREADED

3

6735-21-1930

SEAL, O-RING

4

NSS

PLUG, THREADED

|$6

6732-21-1960

PLUG, THREADED

5

NSS

PLUG, THREADED

6

6735-21-1970

SEAL, O-RING

|$9

6732-21-1812

PLUG, EXPANSION

7

6732-21-6140

DOWEL, RING

8

6742-01-5504

BOLT

9

6735-71-3220

BOLT

10

6754-21-1920

BOLT

11

6754-21-5150

STIFFENER, CYLINDER BLOCK

|$15

6754-22-1310

KIT, CYLINDER BLOCK

12

6732-21-1611

BOLT

13

6732-21-1412

BUSHING

|$18

6754-21-1220

CAP, MAIN BEARING

14

6732-21-1910

DOWEL, RING

15

6754-21-1210

CAP, MAIN BEARING

|$21

6754-21-1240

CAP, MAIN BEARING

16

6732-21-1910

DOWEL, RING

17

6754-21-1230

CAP, MAIN BEARING

18

6731-22-7140

PLUG, EXPANSION

19

6754-21-1115

BLOCK, CYLINDER

20

6732-21-1812

PLUG, EXPANSION

21

6742-01-1420

PLUG, EXPANSION

22

6736-21-1820

PLUG, EXPANSION

23

6754-21-5170

PLATE, CYLINDER BLOCK STIFFENER

24

6732-21-6160

PLUG, EXPANSION

25

6754-12-1910

PLUG, PIPE

Выбрано товаров: 32