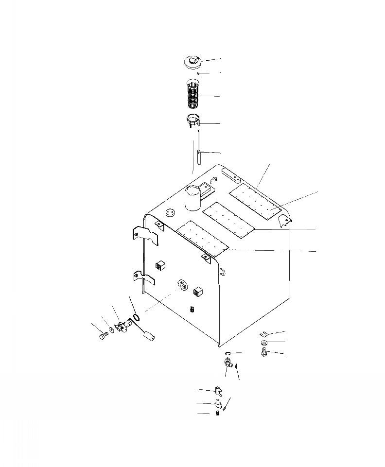
Запчасти Komatsu PC270LC-8 D-A ТОПЛИВН. БАК. ТОПЛИВН. БАК. AND КОМПОНЕНТЫ

Схема запчастей Komatsu PC270LC-8 - D-A ТОПЛИВН. БАК. ТОПЛИВН. БАК. AND КОМПОНЕНТЫ
6
12
14
11
13
1
21
21
21
8
7
10
9
20
19
16
18
15
17
2
5
3
4
FIT
1:1
100%

Артикул

Название

Примечание

Количество

1

20Y-04-41224

TANK

2

07700-50240

VALVE, FUEL DRAIN

3

20Y-04-41231

ELBOW

4

07043-A0108

PLUG

5

02896-11009

O-RING

6

20Y-04-11160

CAP

7

7861-92-5810

SENSOR

8

07000-13050

O-RING

9

01010-80612

BOLT

10

01643-30623

WASHER

|$10

22U-04-21241

STRAINER ASSEMBLY

|$11

22U-04-21200

FLOAT ASSEMBLY

11

22U-04-21210

GUIDE

12

20Y-04-21580

CAP

13

22U-04-21220

FLOAT

14

07056-18425

STRAINER

15

20Y-04-41590

ELBOW

16

07002-12034

O-RING

17

02896-11009

O-RING

18

01010-81635

BOLT

19

01643-31645

WASHER

20

195-03-11570

SHIM

21

20Y-00-42110

NON-SKID PLATE

Выбрано товаров: 0