Качественные детали и логистика
Оригинальные и аналоговые запчасти с доставкой по России, Казахстану и Беларуси
©2022 PartSell ООО "Система" ИНН 2463123282 ОГРН 1212400004838
Центральный офис: г. Красноярск, Академика Киренского, д.87, пом.4
Телефон: 8 (800) 777-65-74 Email: zakaz@partsell.ru
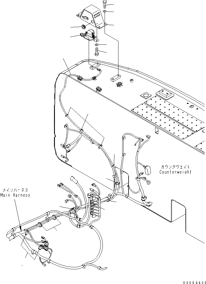
СИГНАЛ ХОДА(№-)
№
Артикул
Название
Примечание
Количество
1
22U-06-27671
ALARM
2
206-06-22121
BRACKET
3
01010-81025
BOLT
4
01643-31032
WASHER
5
08037-02512
GROMMET
6
01010-81225
7
01643-31232
8
206-06-22130
WIRING HARNESS
9
08034-20519
BAND
10
08034-20414
Выбрано товаров: 0