Качественные детали и логистика
Оригинальные и аналоговые запчасти с доставкой по России, Казахстану и Беларуси
©2022 PartSell ООО "Система" ИНН 2463123282 ОГРН 1212400004838
Центральный офис: г. Красноярск, Академика Киренского, д.87, пом.4
Телефон: 8 (800) 777-65-74 Email: zakaz@partsell.ru
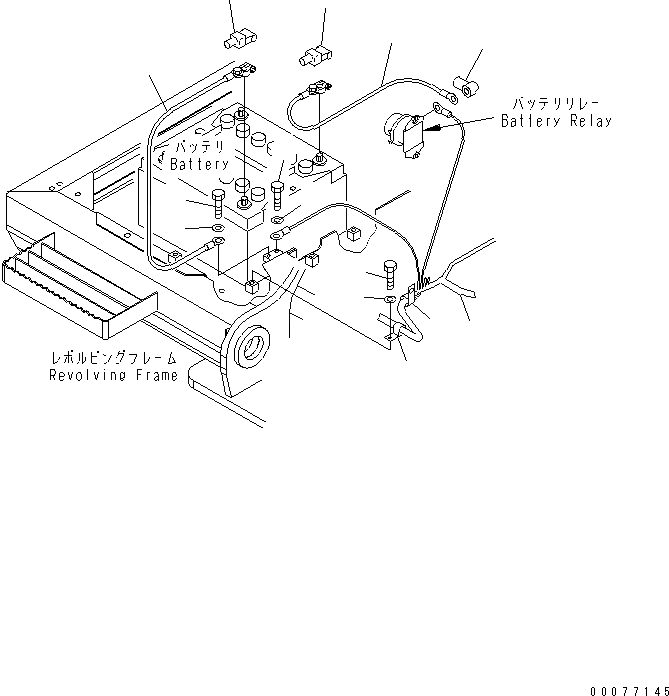
ЭЛЕКТРОПРОВОДКА (АККУМУЛЯТОРН. ОТСЕК )
№
Артикул
Название
Примечание
Количество
1
08028-43030
CABLE
2
08038-22511
CAP
3
08028-CC065
4
08038-42511
5
08038-06031
6
01010-81025
BOLT
7
01643-31032
WASHER
8
04434-51812
CLIP
9
04434-51012
10
01010-81225
11
01643-31232
12
20Y-06-31611
WIRING HARNESS,(SEE FIG. E0200-02A0)
Выбрано товаров: 0