Запчасти Komatsu PC270LL-7L ОСНОВН. НАСОС (/) ОСНОВН. КОМПОНЕНТЫ И РЕМКОМПЛЕКТЫ

Схема запчастей Komatsu PC270LL-7L - ОСНОВН. НАСОС (/) ОСНОВН. КОМПОНЕНТЫ И РЕМКОМПЛЕКТЫ
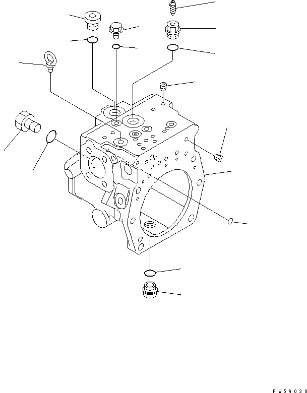
1
2
2
3
4
5
6
7
8
9
10
11
12
13
14
15
FIT
1:1
100%

Артикул

Название

Примечание

Количество

|$0

708-2L-00112

PUMP ASS'Y

|$2

708-2L-01151

PUMP SUB ASS'Y

|$3

708-2L-06211

CASE ASS'Y,REAR

1

CASE,REAR

2

PLUG

3

07000-B1009

O-RING

4

07044-12412

PLUG

5

07002-62434

O-RING

6

04530-11222

BOLT,EYE

7

20B-27-11210

BLEEDER

8

708-8E-16150

PLUG

9

07002-62434

O-RING

10

708-8E-16150

PLUG

11

07002-62434

O-RING

12

723-26-15230

PLUG

13

07002-62434

O-RING

14

07040-12414

PLUG

15

07002-62434

O-RING

Выбрано товаров: 18