Запчасти Komatsu PC270LL-7L ГИДРОЛИНИЯ (ЛИНИЯ ПОДАЧИ ПРОХОДНОЙ ФИЛЬТР) ГИДРАВЛИКА

Схема запчастей Komatsu PC270LL-7L - ГИДРОЛИНИЯ (ЛИНИЯ ПОДАЧИ ПРОХОДНОЙ ФИЛЬТР) ГИДРАВЛИКА
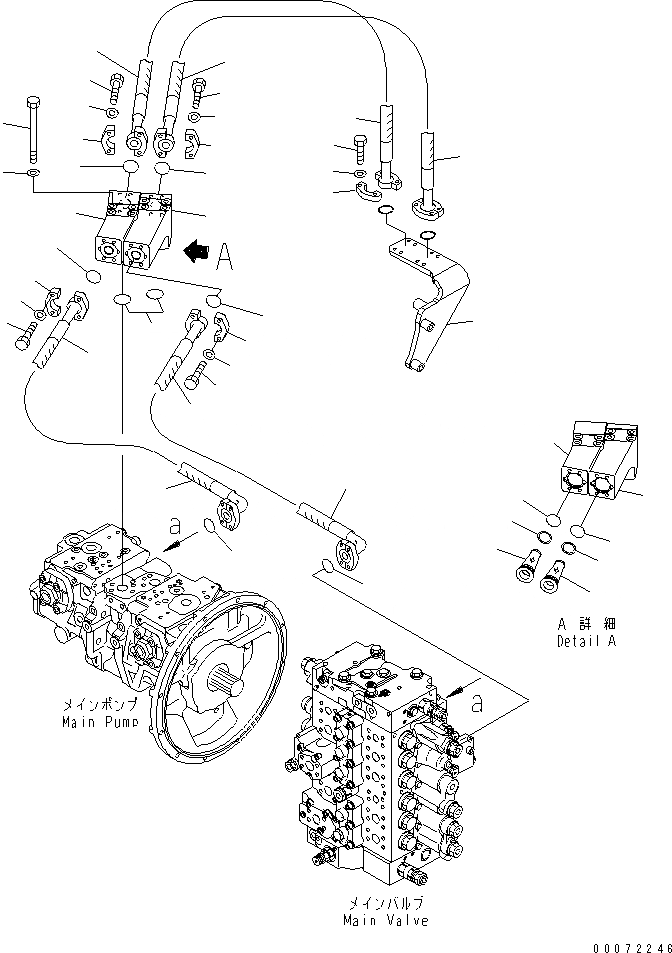
1
1
2
2
3
3
4
4
5
5
6
6
7
7
8
8
9
10
11
12
12
13
14
15
16
17
18
19
19
19
19
20
20
21
21
22
22
23
23
24
25
26
27
FIT
1:1
100%

Артикул

Название

Примечание

Количество

1

20Y-62-43920

HOSE¤ 870MM

2

21T-09-11460

O-RING

3

07073-01AA8

HOSE

4

21T-09-11460

O-RING

5

07372-21035

BOLT

6

01643-51032

WASHER

7

07371-31049

FLANGE

|$7

20Y-60-31410

FILTER ASS'Y

8

CASE

9

20Y-60-31430

ELEMENT

10

07000-12035

O-RING

11

21K-62-72790

RING

|$12

20Y-60-31420

FILTER ASS'Y

12

CASE

13

20Y-60-31430

ELEMENT

14

07000-12035

O-RING

15

21K-62-72790

RING

16

21T-09-11470

O-RING

17

01011-81030

BOLT

18

01643-31032

WASHER

19

20Y-62-43930

HOSE¤ 800MM

20

21T-09-11460

O-RING

21

07372-21035

BOLT

22

01643-51032

WASHER

23

07371-31049

FLANGE

24

07372-21035

BOLT

25

01643-51032

WASHER

26

07371-30640

FLANGE

27

20Y-62-43910

BRACKET,(SEE FIG. H0210-01A1)

Выбрано товаров: 29