Качественные детали и логистика
Оригинальные и аналоговые запчасти с доставкой по России, Казахстану и Беларуси
©2022 PartSell ООО "Система" ИНН 2463123282 ОГРН 1212400004838
Центральный офис: г. Красноярск, Академика Киренского, д.87, пом.4
Телефон: 8 (800) 777-65-74 Email: zakaz@partsell.ru
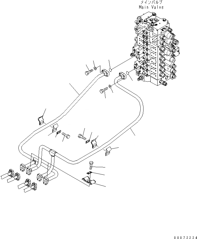
ГИДРОЛИНИЯ (ГИДРОЛИНИЯ СТРЕЛЫ)
№
Артикул
Название
Примечание
Количество
1
206-62-A1930
TUBE
2
206-62-A1940
3
21T-09-11460
O-RING
4
07372-21040
BOLT
5
01643-51032
WASHER
6
20Y-62-13220
CLAMP
7
20Y-62-13450
PLATE
8
01010-81235
9
20Y-62-13230
10
11
Выбрано товаров: 0