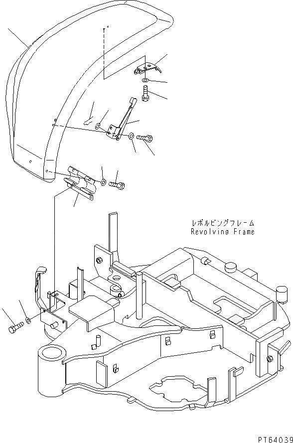
Запчасти Komatsu PC27MR-1 ПЕРЕДН. COVER ЧАСТИ КОРПУСА

Схема запчастей Komatsu PC27MR-1 - ПЕРЕДН. COVER ЧАСТИ КОРПУСА
1
2
3
4
5
6
7
8
8
9
10
11
12
13
FIT
1:1
100%

Артикул

Название

Примечание

Количество

|1

22L-54-11601

COVER ASS'Y

1

22L-54-11611

COVER

2

21U-54-31643

BRACKET

3

01010-81020

BOLT

4

01643-31032

WASHER

5

21U-54-31633

HINGE

6

01010-81020

BOLT

7

01010-81025

BOLT

8

01643-31032

WASHER

9

21U-54-31651

HINGE ASS'Y

10

01643-30823

WASHER

11

04052-10833

PIN,SNAP

12

01010-81020

BOLT

13

01643-31032

WASHER

Выбрано товаров: 14