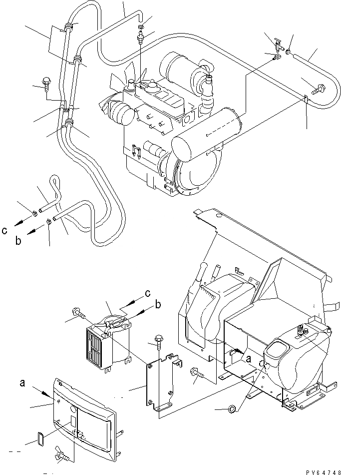
Запчасти Komatsu PC27MR-1 ОБОГРЕВАТЕЛЬ. (ДЛЯ КАБИНЫ) КАБИНА ОПЕРАТОРА И СИСТЕМА УПРАВЛЕНИЯ

Схема запчастей Komatsu PC27MR-1 - ОБОГРЕВАТЕЛЬ. (ДЛЯ КАБИНЫ) КАБИНА ОПЕРАТОРА И СИСТЕМА УПРАВЛЕНИЯ
1
2
3
4
5
6
6
7
7
8
9
10
10
11
12
12
12
12
13
13
13
14
14
15
16
17
18
19
20
21
22
FIT
1:1
100%

Артикул

Название

Примечание

Количество

1

20S-06-21460

HEATER ASS'Y

2

01435-01016

BOLT

3

20N-977-7141

ELBOW

4

203-977-4130

VALVE

5

FF7814-62180

NIPPLE

6

09483-00421

HOSE

7

09483-00408

HOSE

8

04434-51908

CLIP

9

01435-00825

BOLT

10

04434-51908

CLIP

11

01435-00814

BOLT

12

07281-00259

CLAMP

13

202-981-1360

BUSHING

14

08034-20536

BAND

15

21U-977-3113

BRACKET

16

08037-02512

GROMMET

17

01435-01020

BOLT

18

205-06-71321

SWITCH

19

21U-977-3131

COVER

20

01435-00816

BOLT

21

01434-10620

BOLT¤ WING

22

21U-54-32340

CATCH

Выбрано товаров: 22