Качественные детали и логистика
Оригинальные и аналоговые запчасти с доставкой по России, Казахстану и Беларуси
©2022 PartSell ООО "Система" ИНН 2463123282 ОГРН 1212400004838
Центральный офис: г. Красноярск, Академика Киренского, д.87, пом.4
Телефон: 8 (800) 777-65-74 Email: zakaz@partsell.ru
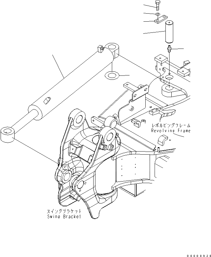
ЦИЛИНДР ПОВОРОТА СТРЕЛЫ И НИЖН. ПАЛЕЦ
№
Артикул
Название
Примечание
Количество
1
707-00-0F480
CYLINDER ASS'Y,(SEE FIG.Y1620-31A0)
2
22L-70-21442
PIN
3
07020-00000
FITTING,GREASE
4
04082-00212
LOCK
5
01010-81225
BOLT
6
01643-31232
WASHER
7
21U-70-11740
SPACER¤ 1.0MM
Выбрано товаров: 0