Запчасти Komatsu PC27MR-2-A МЕХАНИЗМ ПОВОРОТА И МОТОР (СОЕДИНИТЕЛЬН. ЧАСТИ) ПОВОРОТН. КРУГ И КОМПОНЕНТЫ

Схема запчастей Komatsu PC27MR-2-A - МЕХАНИЗМ ПОВОРОТА И МОТОР (СОЕДИНИТЕЛЬН. ЧАСТИ) ПОВОРОТН. КРУГ И КОМПОНЕНТЫ
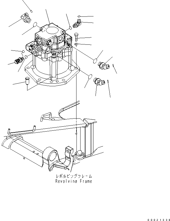
1
2
3
4
5
6
7
7
8
8
9
10
11
12
13
14
15
16
17
FIT
1:1
100%

Артикул

Название

Примечание

Количество

1

22L-26-27000

SWING MACHINERY A.,(SEE FIG.Y1260-01A0)

2

01010-81235

BOLT

3

01643-31232

WASHER

4

20P-26-71110

PIN,DOWEL

5

02782-10315

ELBOW

6

02783-10315

ELBOW

7

02896-11009

O-RING

8

07002-12034

O-RING

9

21W-62-43960

ELBOW

10

02896-11008

O-RING

11

07002-11423

O-RING

12

02783-10315

ELBOW

13

02896-11009

O-RING

14

07002-12034

O-RING

15

02782-10210

ELBOW

16

02896-11008

O-RING

17

07002-11423

O-RING

Выбрано товаров: 17