Качественные детали и логистика
Оригинальные и аналоговые запчасти с доставкой по России, Казахстану и Беларуси
©2022 PartSell ООО "Система" ИНН 2463123282 ОГРН 1212400004838
Центральный офис: г. Красноярск, Академика Киренского, д.87, пом.4
Телефон: 8 (800) 777-65-74 Email: zakaz@partsell.ru
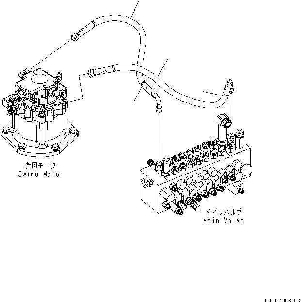
ЛИНИЯ АКТУАТОРА (ПОВОРОТН.)
№
Артикул
Название
Примечание
Количество
1
22L-62-22831
HOSE
2
21U-62-31911
PLATE¤ A
3
21U-62-31941
PLATE¤ D
Выбрано товаров: 0