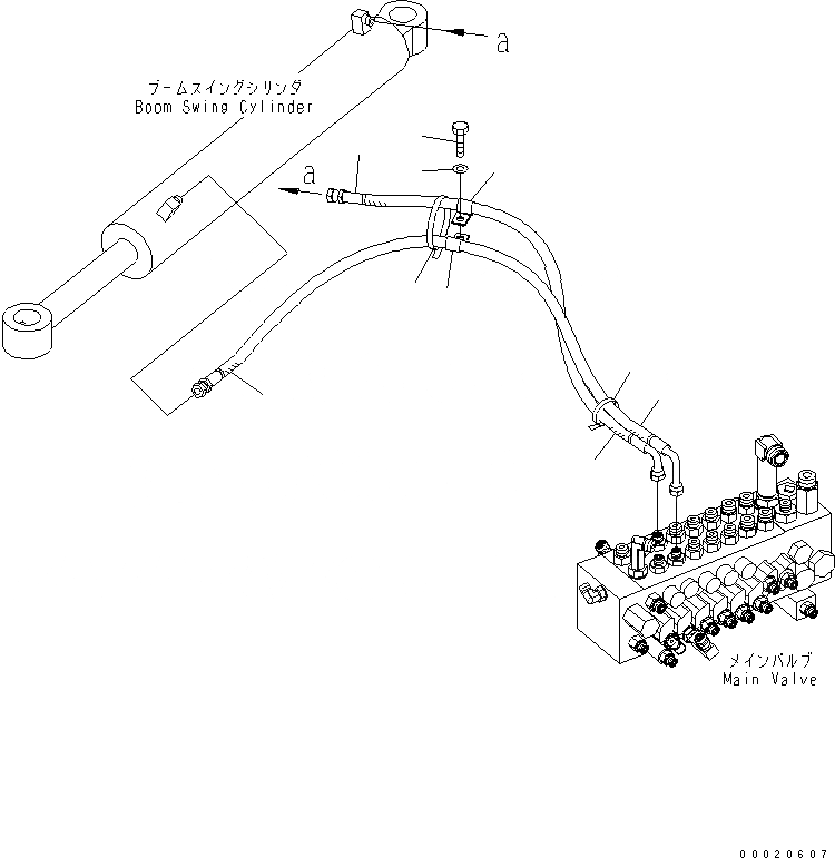
Запчасти Komatsu PC27MR-2-B ЛИНИЯ АКТУАТОРА (ПОВОРОТ СТРЕЛЫ) ГИДРАВЛИКА

Схема запчастей Komatsu PC27MR-2-B - ЛИНИЯ АКТУАТОРА (ПОВОРОТ СТРЕЛЫ) ГИДРАВЛИКА
1
1
2
2
3
3
4
5
6
6
FIT
1:1
100%

Артикул

Название

Примечание

Количество

1

22L-62-22782

HOSE

2

22L-62-22792

HOSE

3

04434-51410

CLIP

4

01010-81020

BOLT

5

01643-31032

WASHER

6

08034-20536

BAND

Выбрано товаров: 6