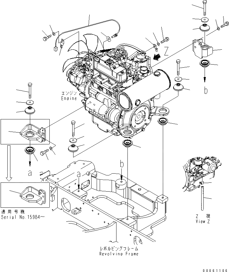
Запчасти Komatsu PC27MR-2 КРЕПЛЕНИЕ ДВИГАТЕЛЯ(№-) КОМПОНЕНТЫ ДВИГАТЕЛЯ

Схема запчастей Komatsu PC27MR-2 - КРЕПЛЕНИЕ ДВИГАТЕЛЯ(№-) КОМПОНЕНТЫ ДВИГАТЕЛЯ
1
1
2
3
3
4
4
5
5
5
5
5
5
5
5
6
6
6
6
7
7
7
7
8
9
10
11
12
13
14
15
16
17
FIT
1:1
100%

Артикул

Название

Примечание

Количество

1

22L-01-27112

BRACKET

1

22L-01-27111

BRACKET

2

22L-01-27122

BRACKET

2

22L-01-27121

BRACKET

3

01010-81225

BOLT

4

01643-31232

WASHER

5

22L-01-27131

CUSHION

6

21U-01-31221

WASHER

6

22L-01-27140

WASHER

7

01010-81090

BOLT

8

YM129150-49360

GASKET

9

7861-93-3320

SENSOR

10

08193-20010

CLIP

11

01010-80816

BOLT

12

01643-30823

WASHER

13

08053-01510

CLIP

14

01010-80816

BOLT

15

01643-30823

WASHER

16

07270-01220

TUBE

17

07285-00130

CLIP

Выбрано товаров: 0