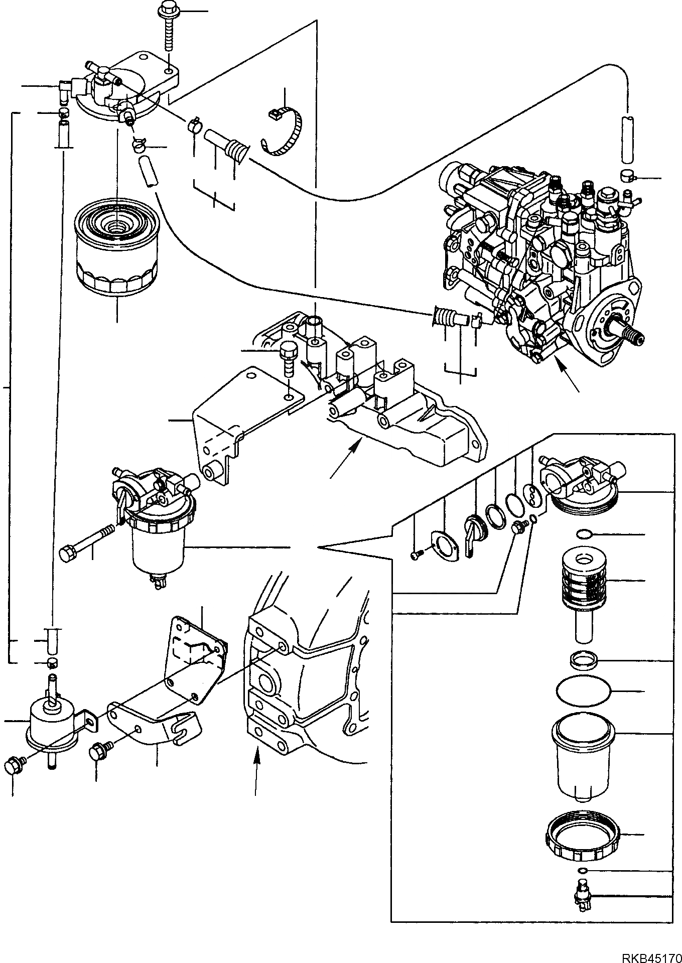
Запчасти Komatsu PC27MR-2 ТОПЛИВОПРОВОД. ДВИГАТЕЛЬ

Схема запчастей Komatsu PC27MR-2 - ТОПЛИВОПРОВОД. ДВИГАТЕЛЬ
3
20
1
5
13
17
17
19
18
16
5
2
27
14
13
4
12
26
25
21
28
22
8
6
24
7
9
11
10
23
A
B
C
FIT
1:1
100%

Артикул

Название

Примечание

Количество

\0

22L-01-27101

MOTOR, ASSY.

1

YM129004-55612

COVER

2

YM119802-55801

FILTER

3

YM26106-080302

BOLT

4

YM119940-59010

PIPE, ASSY.

5

YM124766-59050

CLAMP

6

YM119940-59210

PIPE

7

YM129612-52100

FUEL FEED PUMP, ASSY.

8

YM129612-52110

COVER

9

YM129240-66200

BRACKET

10

YM26106-060122

BOLT

11

YM26106-080202

BOLT

12

YM129044-59010

PIPE, FUEL

13

YM124766-59050

CLAMP

14

YM129044-59100

HOSE

16

YM129950-59311

PIPE

17

YM124766-59050

CLAMP

18

YM129961-59110

PIPE

19

YM105025-59580

PIPE

20

YM121750-59890

CLAMP

21

YM119802-55700

FILTER, ASSY.

22

YM119802-55710

CARTRIDGE

23

YM129100-55690

RING, NUT

24

YM24321-000650

O-RING

25

YM24311-000160

O-RING

26

YM129240-55720

BRACKET

27

YM26013-080222

BOLT

28

YM26013-080652

BOLT

Выбрано товаров: 28