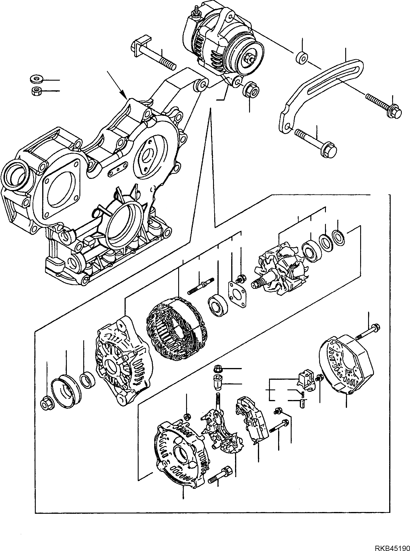
Запчасти Komatsu PC27MR-2 ГЕНЕРАТОР ДВИГАТЕЛЬ

Схема запчастей Komatsu PC27MR-2 - ГЕНЕРАТОР ДВИГАТЕЛЬ
33
1
30
35
34
36
2
31
32
4
7
6
5
11
10
8
9
12
24
29
15
16
3
27
21
28
19
20
22
14
23
25
17
18
26
13
A
FIT
1:1
100%

Артикул

Название

Примечание

Количество

\0

22L-01-27101

MOTOR, ASSY.

1

YM119940-77330

ADJUSTER, BELT

2

YM129423-77200

ALTERNATOR, ASSY.

3

YMX9490561001

NUT

4

YM119620-77380

ROTOR,ASSY.

5

YM119620-79240

BEARING

6

YM119620-79250

RING

7

YM119620-79360

WASHER

8

YM119620-77421

COIL ASSY.,FIELD

9

YM119620-79200

BEARING

10

YM119620-79210

PLATE

11

YM119620-79220

SCREW

12

YM119620-79230

STUD BOLT

13

YM119620-77440

STATOR

14

YM129423-77450

COVER

15

YM119620-77461

PULLEY

16

YM119620-77471

NUT

17

YM129423-77710

GOVERNOR

18

YM119620-79260

COVER

19

YM119620-79270

HOLDER BRUSH, ASSY.

20

YM119620-77480

FLEX HORN

21

YM119620-79280

SPRING

22

YM119620-79290

SCREW

23

YM119620-79300

SCREW

24

YM119620-79310

BOLT

25

YM119620-79320

SCREW

26

YM119620-79330

BOLT

27

YM119620-79340

BUSHING

28

YM119620-79350

NUT

29

YM119620-77490

COLLAR

30

YM119740-77250

BOLT

31

YM26306-100002

NUT

32

YM26106-080452

BOLT

33

YM119940-77270

ADJUSTER, BELT

34

YM119802-77340

BOLT

35

YM22117-050000

WASHER

36

YM26716-050002

NUT

Выбрано товаров: 37