Запчасти Komatsu PC27MR-2 СТАРТЕР ДВИГАТЕЛЬ

Схема запчастей Komatsu PC27MR-2 - СТАРТЕР ДВИГАТЕЛЬ
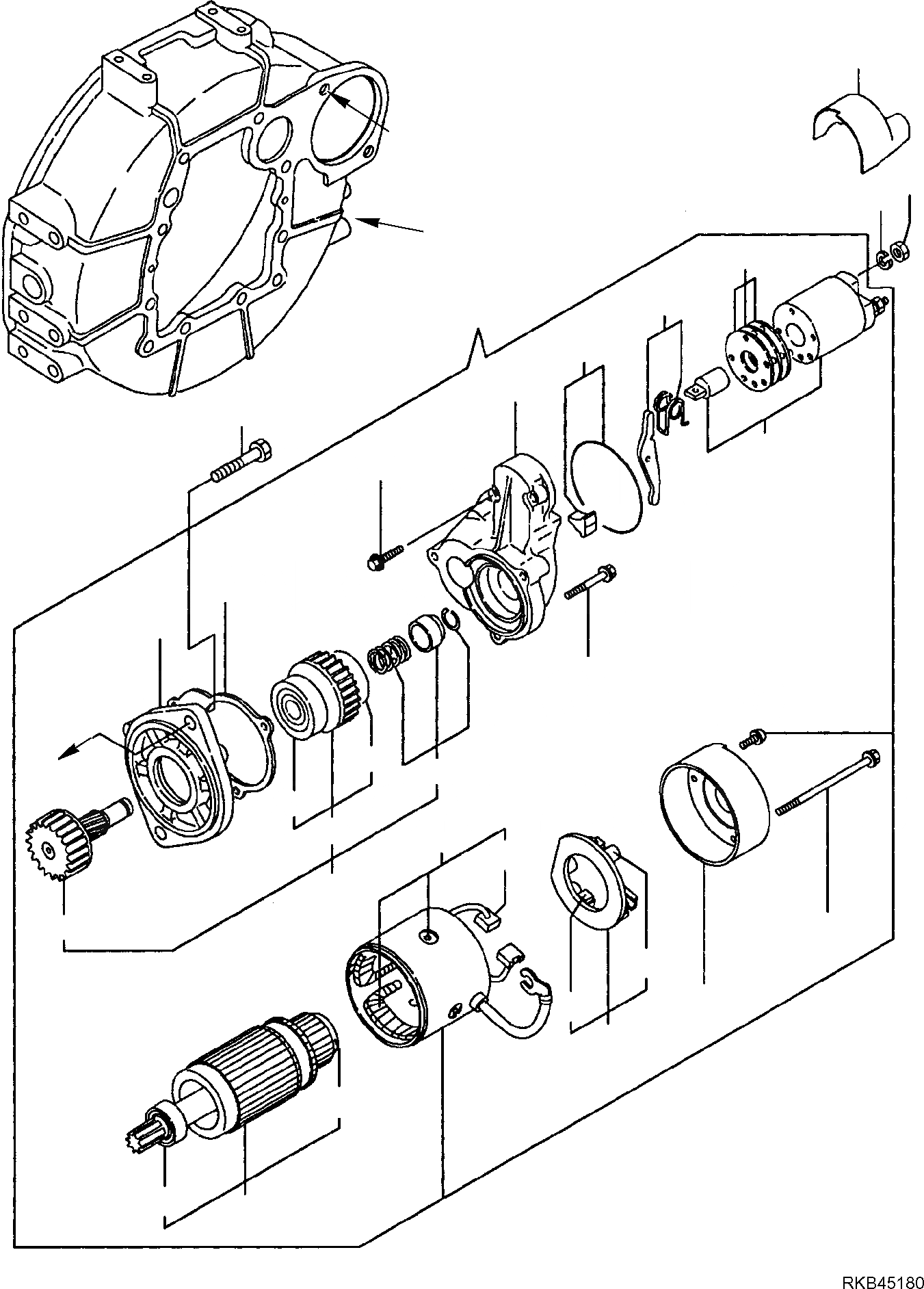
33
32
31
17
14
1
17
12
30
13
28
17
11
29
26
21
27
25
5
6
19
18
20
9
10
8
7
3
4
2
A
A
A
FIT
1:1
100%

Артикул

Название

Примечание

Количество

\0

22L-01-27101

MOTOR, ASSY.

1

YM129400-77012

STARTER MOTOR

2

YM129486-77400

ROTOR

3

YM171008-77410

BEARING

4

YM171008-77420

BEARING

5

YM129400-77441

COIL ASSY.,FIELD

6

YM129486-77460

BRUSH, ASSY.

7

YM129486-77470

HOLDER BRUSH, ASSY.

8

YM129486-77460

BRUSH, ASSY.

9

YM129486-77490

SPRING

10

YM129900-77460

COVER, REAR

11

YM171008-77510

HOUSING, FRONT

12

YM129400-77520

HOUSING, CENTER

13

YM129400-77531

SWITCH, MAGNETIC

14

YM171008-77540

SHIFT LEVER SET, ASSY.

17

YM129400-77571

COVER DUST PAN, ASSY.

18

YM129900-77640

BOLT

19

YM171008-77650

PINION, ASSY.

20

YM171008-77660

SHAFT, PINION

21

YM171008-77670

KIT, STOP SET, PINION

25

YMX2114555500

FAST COUPLING

26

YMX2114955020

BEARING

27

YMX2240410100

BEARING

28

YM26106-060322

BOLT

29

YM26106-060402

BOLT

30

YM26116-120252

SCREW

31

YM22217-080000

SPRING WASHER

32

YM26756-080002

NUT

33

YM129012-77920

COVER

Выбрано товаров: 29