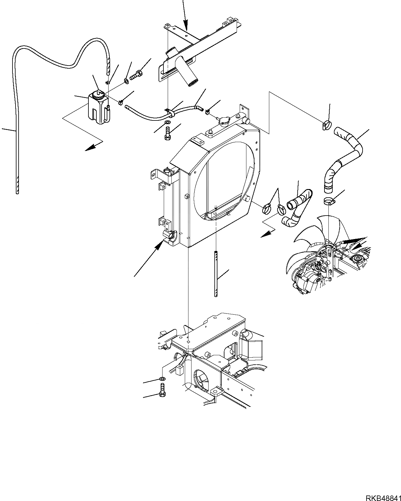
Запчасти Komatsu PC27MR-2 РАДИАТОР (/) КОМПОНЕНТЫ ДВИГАТЕЛЯ И ЭЛЕКТРИКА

Схема запчастей Komatsu PC27MR-2 - РАДИАТОР (/) КОМПОНЕНТЫ ДВИГАТЕЛЯ И ЭЛЕКТРИКА
8
7
18
17
9
13
6
12
14
5
15
4
10
16
3
5
5
11
2
1
A
A
a
a
FIT
1:1
100%

Артикул

Название

Примечание

Количество

1

01010-81030

BOLT

2

01643-31032

WASHER

3

22L-03-27162

HOSE

4

22L-03-27170

HOSE

5

07281-00419

CLAMP

6

22L-09-R3810

TANK

7

01010-80820

BOLT

8

01643-30823

WASHER

9

22L-03-R1470

HOSE

10

22L-03-R1481

HOSE

11

22L-03-21180

HOSE

12

07285-00115

CLAMP

13

07285-00110

CLAMP

14

04434-51208

CLAMP

15

01010-80816

BOLT

16

01643-30823

WASHER

17

22L-09-R3820

PLUG

18

07285-00130

CLAMP

Выбрано товаров: 18