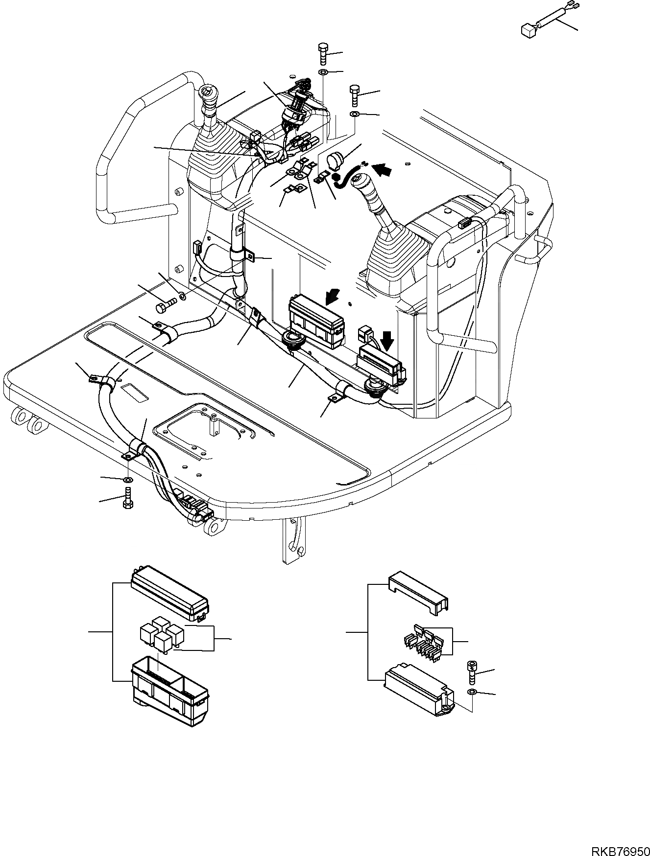
Запчасти Komatsu PC27MR-2 ЭЛЕКТРИКА (ПЛАТФОРМА) КОМПОНЕНТЫ ДВИГАТЕЛЯ И ЭЛЕКТРИКА

Схема запчастей Komatsu PC27MR-2 - ЭЛЕКТРИКА (ПЛАТФОРМА) КОМПОНЕНТЫ ДВИГАТЕЛЯ И ЭЛЕКТРИКА
24
11
12
19
15
16
13
20
9
14
10
9
21
23
22
6
6
6
1
6
6
8
7
2
4
3
5
17
18
a
b
c
c
b
a
FIT
1:1
100%

Артикул

Название

Примечание

Количество

1

22M-06-R4112

WIRING HARNESS

2

22M-06-R4260

RELAY BOX

3

395-06-12870

RELAY

4

08044-01000

FUSE BOX

5

21D-06-11820

FUSE 10A

5

22L-09-R2T50

FUSE 30A

5

22L-09-R2T60

FUSE 20A

6

04434-52712

CLAMP

7

01010-81020

BOLT

8

01643-11032

WASHER

9

08193-20010

CLAMP

10

08053-01510

CLAMP

11

01010-81020

BOLT

12

01643-11032

WASHER

13

22E-06-11830

HORN, ASSY.

14

22L-09-R2520

SUPPORT

15

01010-80612

BOLT

16

01643-10623

SPRING WASHER

17

37A-09-14525

BOLT

18

01643-10623

SPRING WASHER

19

20S-06-31130

SWITCH, STARTER

20

08034-20414

CLAMP

21

04434-52712

CLAMP

22

01010-D1025

BOLT

23

01643-11032

WASHER

24

22-09-R2340

WIRING HARNESS

Выбрано товаров: 26