Запчасти Komatsu PC27MR-3 ТОПЛИВН. БАК.(№-) ТОПЛИВН. БАК. AND КОМПОНЕНТЫ

Схема запчастей Komatsu PC27MR-3 - ТОПЛИВН. БАК.(№-) ТОПЛИВН. БАК. AND КОМПОНЕНТЫ
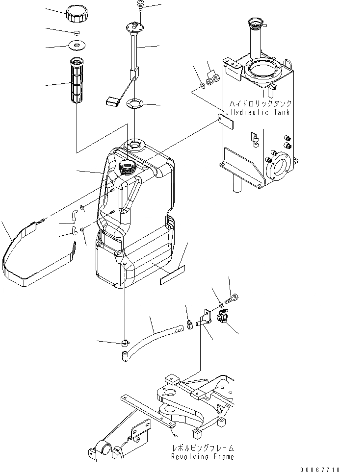
1
2
3
4
5
6
7
8
8
9
10
11
12
13
13
14
15
16
17
18
19
20
21
FIT
1:1
100%

Артикул

Название

Примечание

Количество

1

22F-04-31111

FUEL TANK

|$3

22L-04-21300

CAP ASS'Y

2

CAP

3

21S-04-31221

PACKING

4

21U-04-21160

ELEMENT

5

22L-04-21171

STRAINER

6

20A-04-11121

GAUGE,SIGHT

7

20N-04-81360

FLOAT

8

07285-00085

CLIP

9

42A-06-53210

SENSOR,FUEL LEVEL

10

42A-04-51130

GASKET

11

01023-10516

SCREW

12

22L-04-21162

HOSE

13

22K-04-21190

CLIP

14

22L-04-21141

BRACKET

15

22F-04-31141

VALVE

16

22L-04-21151

CUSHION

17

22F-04-31130

BAND

18

01580-10806

NUT

19

01643-30823

WASHER

20

01010-81020

BOLT

21

01643-31032

WASHER

Выбрано товаров: 0