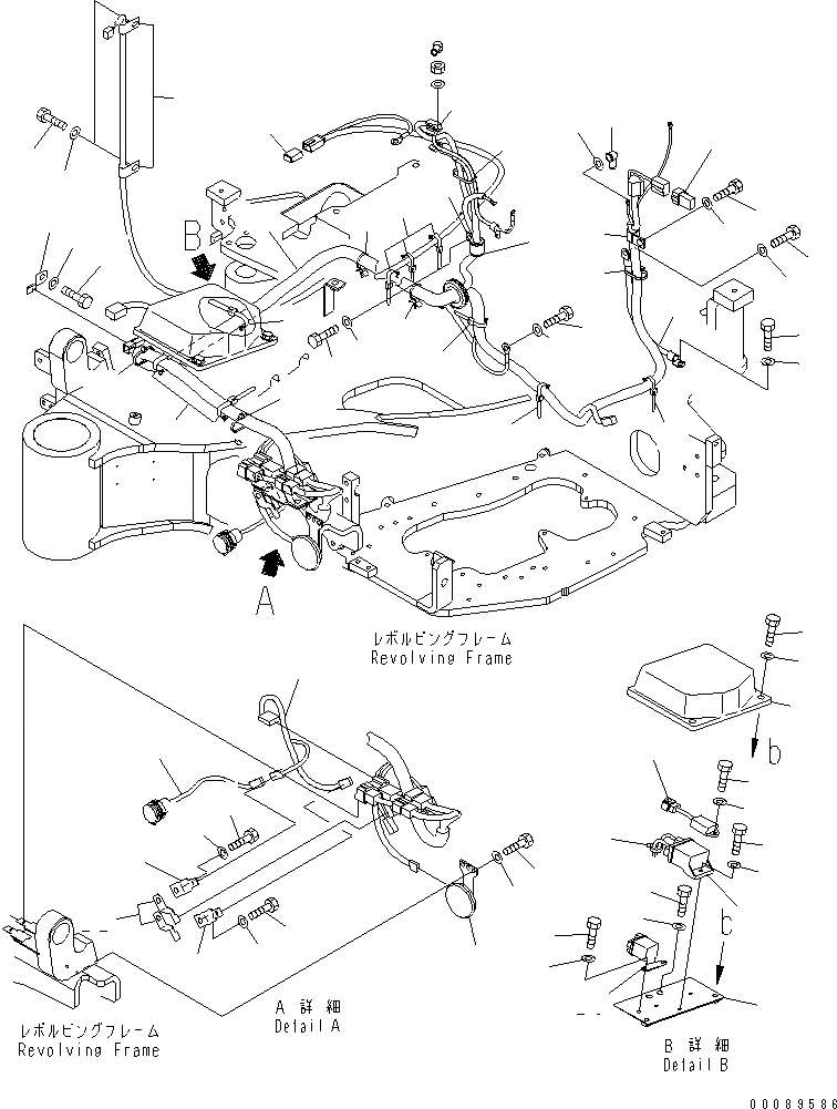
Запчасти Komatsu PC27MR-3 ЭЛЕКТРОПРОВОДКА (НАВЕС)(№-) ЭЛЕКТРИКА

Схема запчастей Komatsu PC27MR-3 - ЭЛЕКТРОПРОВОДКА (НАВЕС)(№-) ЭЛЕКТРИКА
1
1
2
3
4
4
4
4
4
4
5
5
6
7
8
9
10
11
12
13
14
15
16
17
18
19
20
20
20
20
20
21
22
22
23
23
24
24
25
26
27
28
29
30
31
32
32
32
33
33
33
34
35
36
37
38
39
40
41
42
43
44
45
46
47
48
FIT
1:1
100%

Артикул

Название

Примечание

Количество

1

22F-06-31821

WIRING HARNESS

2

20T-06-81230

FUSIBLE LINK

3

21X-06-31530

DIODE

4

22F-06-21110

CLIP

5

22F-06-21120

CLIP

6

04434-51712

CLIP

7

01010-81220

BOLT

8

01643-31232

WASHER

9

04434-52110

CLIP

10

07095-20314

CUSHION

11

01010-81020

BOLT

12

01643-31032

WASHER

13

20N-06-71430

WIRE

14

01010-81220

BOLT

15

01643-31232

WASHER

16

01010-81020

BOLT

17

01643-31032

WASHER

18

01010-81020

BOLT

19

01643-31032

WASHER

20

08034-20536

BAND

21

08038-10519

CAP

22

08193-20010

CLIP

23

01010-81020

BOLT

24

01643-31032

WASHER

25

08160-71200

HORN

26

01010-80816

BOLT

27

01643-30823

WASHER

28

22L-06-21233

PLATE

29

YM119650-77910

RELAY

30

YM119802-77200

RELAY

31

YM129211-77920

TIMER

32

01010-80616

BOLT

33

01643-30623

WASHER

34

01010-81020

BOLT

35

01643-31032

WASHER

36

22L-06-21241

COVER

37

01010-80820

BOLT

38

01643-30823

WASHER

39

01640-20408

WASHER

40

04434-51008

CLIP

41

01010-80816

BOLT

42

01643-30823

WASHER

43

22F-06-31431

SOCKET

44

22F-06-31441

WIRING HARNESS

45

08053-01510

CLIP

46

08193-20010

CLIP

47

01010-81020

BOLT

48

01643-31032

WASHER

Выбрано товаров: 48