Запчасти Komatsu PC27MR-3 КРЕПЛЕНИЕ ОСН. КОНСТРУКЦИИ (УПРАВЛ-Е ПОДАЧ. ТОПЛИВА КАБЕЛЬ И БЛОК СОЕД-Е) (КАБИНА)(№-) КАБИНА ОПЕРАТОРА И СИСТЕМА УПРАВЛЕНИЯ

Схема запчастей Komatsu PC27MR-3 - КРЕПЛЕНИЕ ОСН. КОНСТРУКЦИИ (УПРАВЛ-Е ПОДАЧ. ТОПЛИВА КАБЕЛЬ И БЛОК СОЕД-Е) (КАБИНА)(№-) КАБИНА ОПЕРАТОРА И СИСТЕМА УПРАВЛЕНИЯ
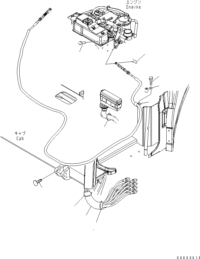
1
2
3
4
5
6
7
8
8
9
FIT
1:1
100%

Артикул

Название

Примечание

Количество

1

21U-43-26151

PIN

2

04052-20833

PIN,SNAP

3

04434-51408

CLIP

4

01010-81016

BOLT

5

01643-31032

WASHER

6

08034-20823

BAND

7

20P-62-72380

SHEET

8

08034-20823

BAND

9

07049-01620

PLUG

Выбрано товаров: 0