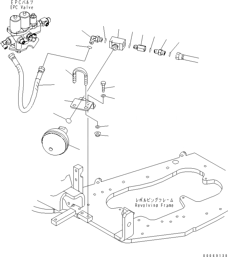
Запчасти Komatsu PC27MR-3 ОСНОВН. КЛАПАН (АККУМУЛЯТОР И ТРУБЫ)(№-) ГИДРАВЛИКА
№
Артикул
Название
Примечание
Количество
1
20Y-60-11410
ACCUMULATOR
2
22F-62-34141
BRACKET
3
07283-33442
CLIP
4
01643-31032
WASHER
5
01597-01009
NUT
6
22L-62-18920
TEE
7
07002-12034
O-RING
8
02782-10210
ELBOW
9
02896-11008
O-RING
10
07002-11423
O-RING
11
22L-62-29250
VALVE ASS'Y
11
20U-62-41870
NIPPLE
11
22L-62-29210
PLUG
11
22L-62-29220
POPPET
12
02896-11008
O-RING
13
07002-11423
O-RING
14
22F-62-34910
JOINT
15
07002-11423
O-RING
16
02765-002A3
HOSE
17
01010-81020
BOLT
18
01643-31032
WASHER
Выбрано товаров: 21