Запчасти Komatsu PC27MR-3 КАБИНА (ЭЛЕКТР.)(№-) КАБИНА ОПЕРАТОРА И СИСТЕМА УПРАВЛЕНИЯ

Схема запчастей Komatsu PC27MR-3 - КАБИНА (ЭЛЕКТР.)(№-) КАБИНА ОПЕРАТОРА И СИСТЕМА УПРАВЛЕНИЯ
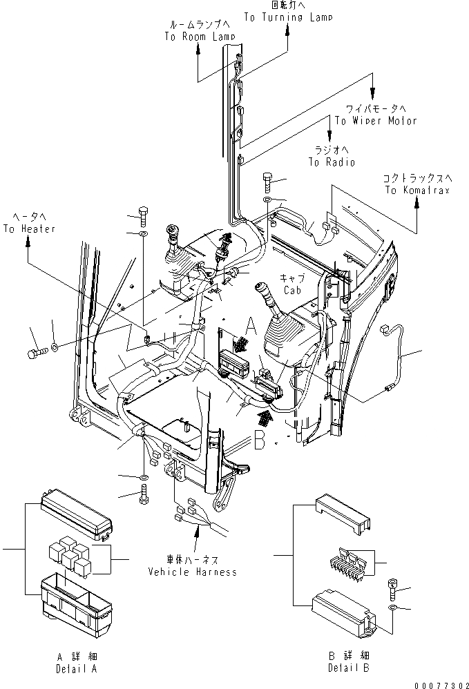
1
1
2
3
4
5
6
7
8
9
9
9
9
10
11
12
13
14
15
16
17
18
19
20
21
22
23
24
25
FIT
1:1
100%

Артикул

Название

Примечание

Количество

1

22F-06-33212

WIRING HARNESS

1

22F-06-33211

WIRING HARNESS

1

21X-06-31530

DIODE

1

19M-06-31720

RESISTOR

2

22M-06-24260

BOX,RELAY

3

20U-06-42520

RELAY, 5-TERMINAL

4

08044-01000

FUSE BOX

5

08041-01000

FUSE, 10A

5

08041-02000

FUSE, 20A

5

08041-03000

FUSE, 30A

6

22F-06-33120

CONNECTOR

7

08192-29201

CONNECTOR

8

22F-06-33220

WIRING HARNESS

9

04434-52712

CLIP

10

01010-81020

BOLT

11

01643-31032

WASHER

12

08053-01510

CLIP

13

01010-81020

BOLT

14

01643-31032

WASHER

15

21Y-06-11260

BUZZER ASS'Y

16

21Y-06-11270

PLATE

17

01010-80612

BOLT

18

01643-30623

WASHER

19

01252-80620

BOLT

20

01643-70623

WASHER

21

20S-06-31130

STARTING SWITCH

22

08034-40521

BAND

22

08034-20536

BAND

22

08034-40521

BAND

23

08193-21012

CLIP

24

01010-81020

BOLT

25

01643-31032

WASHER

Выбрано товаров: 0