Запчасти Komatsu PC27MR-3 ОСНОВН. КОНСТРУКЦИЯ (КОНСОЛЬ¤ ЛЕВ.) (НАВЕС) (ДЛЯ СЕВ. АМЕРИКИ) (НАВЕСН.ОБОРУД ПЕРЕКЛЮЧАТЕЛЬ) (АВТОМ. ЗАМЕДЛЕНИЕ ОБОРОТОВ)(№-) КАБИНА ОПЕРАТОРА И СИСТЕМА УПРАВЛЕНИЯ

Схема запчастей Komatsu PC27MR-3 - ОСНОВН. КОНСТРУКЦИЯ (КОНСОЛЬ¤ ЛЕВ.) (НАВЕС) (ДЛЯ СЕВ. АМЕРИКИ) (НАВЕСН.ОБОРУД ПЕРЕКЛЮЧАТЕЛЬ) (АВТОМ. ЗАМЕДЛЕНИЕ ОБОРОТОВ)(№-) КАБИНА ОПЕРАТОРА И СИСТЕМА УПРАВЛЕНИЯ
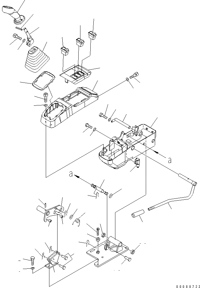
1
2
3
4
5
6
6
7
7
8
9
10
11
12
12
13
13
14
15
16
16
17
18
19
20
21
22
23
24
25
26
27
28
29
30
30
31
32
33
34
35
36
37
38
39
40
41
FIT
1:1
100%

Артикул

Название

Примечание

Количество

1

22M-43-21291

STOPPER

2

01010-D0825

BOLT

3

01643-70823

WASHER

4

22M-43-21551

GUIDE

5

04205-30832

PIN

6

04050-12015

PIN,COTTER

7

21U-43-32430

COLLAR

8

22B-54-15560

STOPPER

9

01580-11008

NUT

10

22F-972-3290

BRACKET

11

22M-54-22140

COVER,PANEL

12

01252-80616

BOLT

13

01643-70623

WASHER

14

22M-43-21660

SPRING, GAS

15

04205-30822

PIN

16

04052-20833

PIN,SNAP

17

01643-70823

WASHER

18

22M-43-21151

PIN

19

01010-D0616

BOLT

20

01643-70623

WASHER

21

22K-54-33610

COVER

|$28

22F-43-31900

LEVER ASS'Y

22

22F-43-31850

LEVER

23

22F-43-31870

LEVER

24

22F-43-31890

PIN

25

20Y-43-22250

PLATE

26

22F-43-31880

BOOT

27

01252-71025

BOLT

28

01643-51032

WASHER

29

22J-43-28131

LEVER

30

06124-01616

BEARING

31

22M-43-21470

KNOB

32

20T-43-71280

PIN

33

22M-43-21560

SPRING

34

04052-20833

PIN,SNAP

35

01643-70823

WASHER

36

22M-43-21170

SWITCH ASS'Y

37

01245-00616

SCREW

38

01643-70623

WASHER

39

22J-06-26121

SWITCH ASS'Y

40

22F-972-3251

SWITCH

41

22F-06-32641

SWITCH

Выбрано товаров: 42