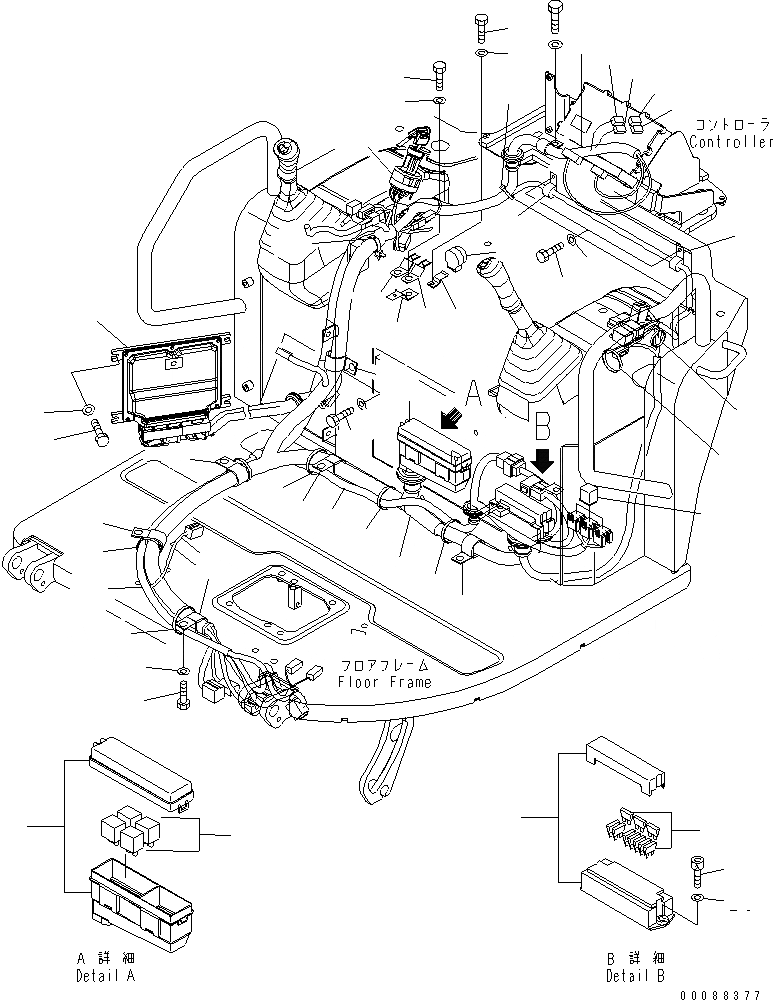
Запчасти Komatsu PC27MR-3 ОСНОВН. КОНСТРУКЦИЯ (ЭЛЕКТР.) (НАВЕС)(№-) КАБИНА ОПЕРАТОРА И СИСТЕМА УПРАВЛЕНИЯ

Схема запчастей Komatsu PC27MR-3 - ОСНОВН. КОНСТРУКЦИЯ (ЭЛЕКТР.) (НАВЕС)(№-) КАБИНА ОПЕРАТОРА И СИСТЕМА УПРАВЛЕНИЯ
1
1
2
3
4
5
6
7
8
8
8
8
8
9
10
11
11
12
13
14
15
16
17
18
19
20
21
22
23
24
25
26
26
27
27
28
29
30
31
32
33
34
35
36
36
36
36
36
36
37
38
FIT
1:1
100%

Артикул

Название

Примечание

Количество

1

22F-06-32660

WIRING HARNESS

2

22M-06-24260

BOX,RELAY

3

20U-06-42520

RELAY, 5-TERMINAL

4

08044-01000

FUSE BOX

5

08041-01000

FUSE, 10A

5

08041-03000

FUSE, 30A

6

21X-06-31530

DIODE

7

19M-06-31720

RESISTOR

8

04434-52712

CLIP

9

01010-81020

BOLT

10

01643-31032

WASHER

11

08193-21012

CLIP

12

08053-01512

CLIP

13

01010-81020

BOLT

14

01643-31032

WASHER

15

21Y-06-11260

BUZZER ASS'Y

16

21Y-06-11270

PLATE

17

01010-80612

BOLT

18

01643-30623

WASHER

19

01252-80620

BOLT

20

01643-70623

WASHER

21

20S-06-31130

STARTING SWITCH,STARTING

22

08034-40521

BAND

23

08193-21012

CLIP

24

01010-81025

BOLT

25

01643-31032

WASHER

26

22F-06-32611

WIRING HARNESS

27

04434-51010

CLIP

28

01010-D1016

BOLT

29

01643-71032

WASHER

30

7825-63-3000

CONTROLLER

31

01010-80820

BOLT

32

01643-30823

WASHER

33

363-06-31130

RELAY

34

08034-40521

BAND

35

08034-20519

BAND

36

08034-20823

BAND

37

08192-23100

CONNECTOR

38

08191-00770

PLUG

Выбрано товаров: 39