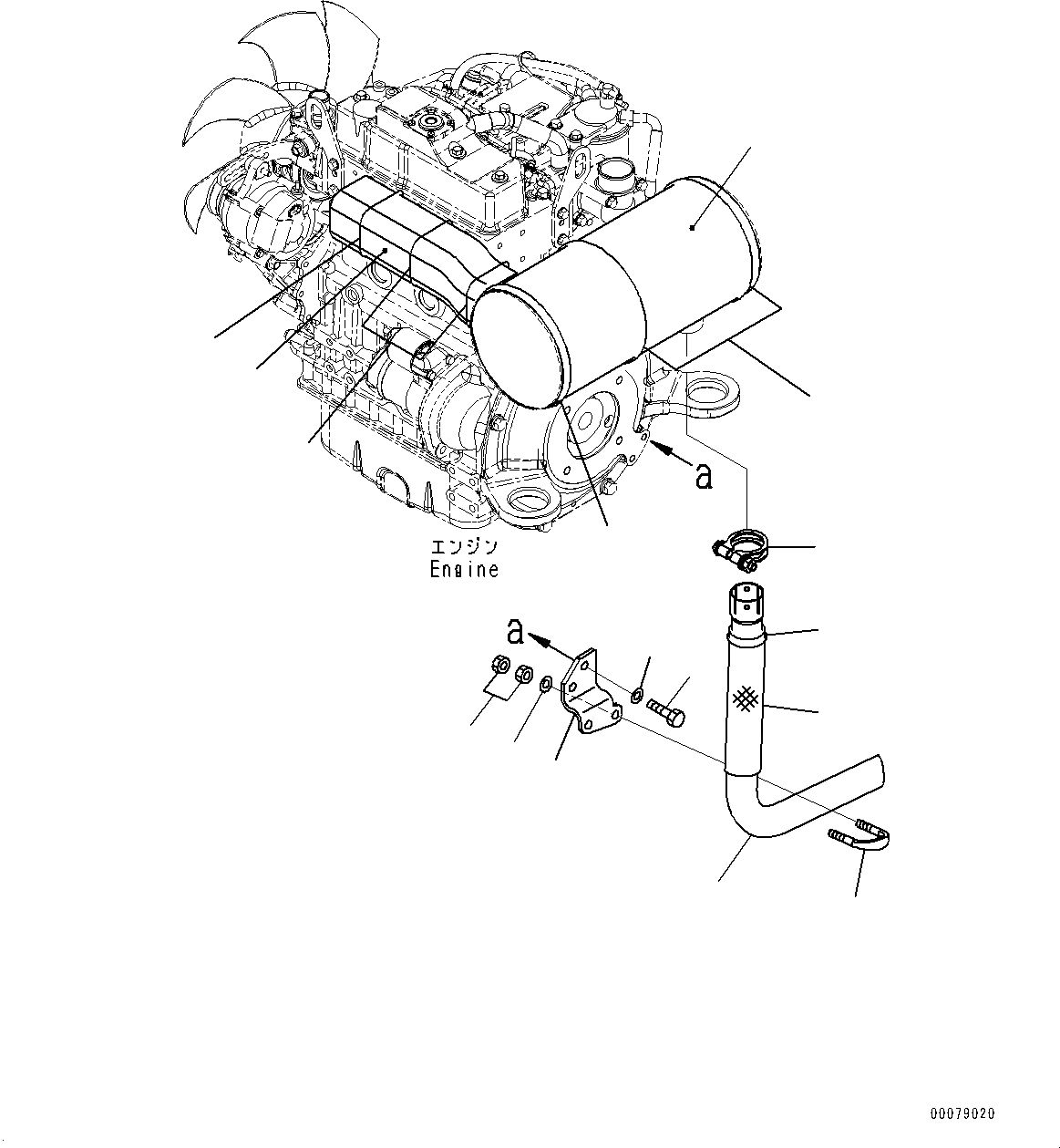
Запчасти Komatsu PC27MR-3 ДВИГАТЕЛЬ, ВЫПУСКН. ГЛУШИТЕЛЬ КОМПОНЕНТЫ (№9-8) ДВИГАТЕЛЬ, ДЛЯ КРОМЕ ЯПОН.

Схема запчастей Komatsu PC27MR-3 - ДВИГАТЕЛЬ, ВЫПУСКН. ГЛУШИТЕЛЬ КОМПОНЕНТЫ (№9-8) ДВИГАТЕЛЬ, ДЛЯ КРОМЕ ЯПОН.
12
2
6
3
4
5
7
8
1
13
11
11
11
9
10
11
FIT
1:1
100%

Артикул

Название

Примечание

Количество

1

22L-01-37211

PIPE(EXHAUST)

2

22L-01-27420

Bracket

3

01010-81025

Bolt

4

01643-31032

Washer

5

07283-34346

Clip

6

01582-11008

Nut

7

01643-31032

Washer

8

YM121120-13590

Clamp

9

22L-01-27431

Sheet

10

21U-01-31420

Sheet

11

22L-01-21440

Wire

12

22L-01-21450

Sleeve

13

22L-01-21440

Wire

Выбрано товаров: 13