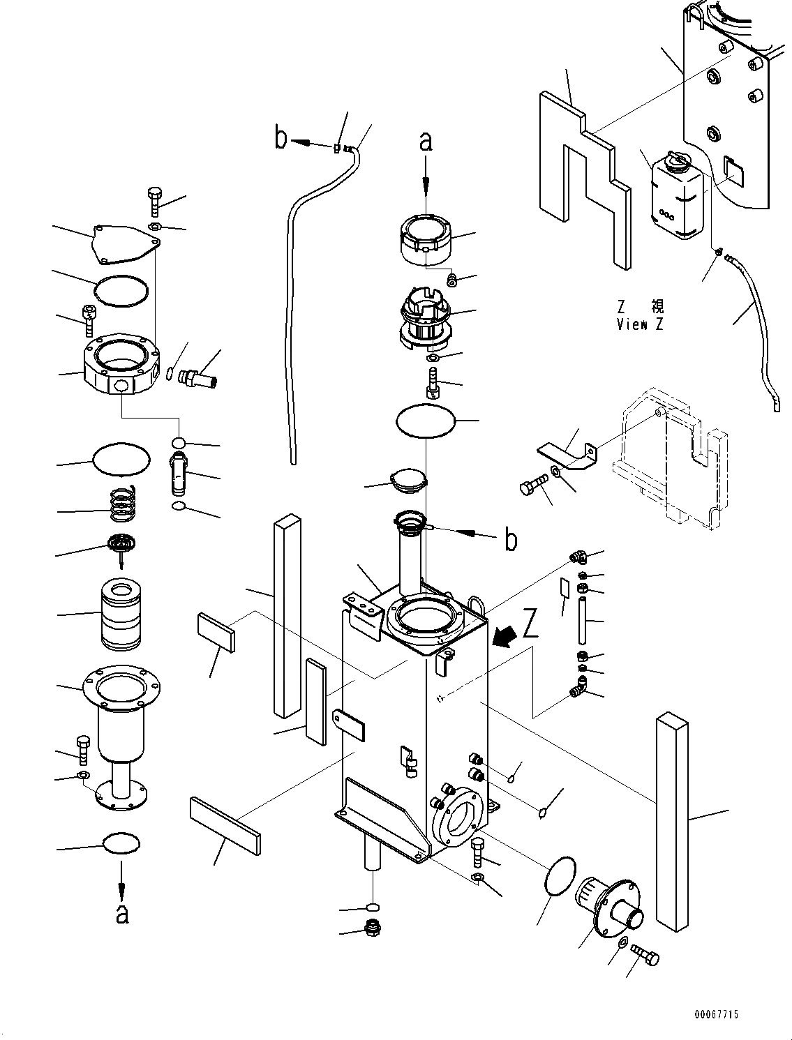
Запчасти Komatsu PC27MR-3 ГИДР. БАК. (№9-) ГИДР. БАК.

Схема запчастей Komatsu PC27MR-3 - ГИДР. БАК. (№9-) ГИДР. БАК.
54
2
3
4
5
6
7
11
12
13
14
15
27
28
29
30
31
32
46
51
52
42
41
12
14
13
44
44
1
45
43
8
53
49
47
48
50
55
9
10
1
20
25
24
23
22
21
26
33
34
35
36
37
38
39
40
17
18
16
19
FIT
1:1
100%

Артикул

Название

Примечание

Количество

1

22F-60-31211

Tank

2

07044-12412

Plug

3

07002-12434

O-ring

4

21U-60-32121

Strainer

5

07000-12085

O-ring

6

01010-81025

Bolt

7

01643-31032

Washer

8

22F-60-31290

Cap Assembly

9

07270-00890

Tube

10

07285-00095

Clip, Hose

11

22L-60-22161

Tube

11

203-60-31100

Elbow Assembly

12

Elbow

13

Nut

14

203-60-31250

Sleeve

15

203-00-31120

Plate, Instruction, Instruction

16

22F-60-31241

Plate

17

01010-81065

Bolt

18

01643-31032

Washer

19

07000-12110

O-ring

20

22F-60-31220

Flange

21

01252-71060

Bolt, Hexagon Socket Head

22

07000-12125

O-ring

23

22F-60-31250

Spring

24

22L-60-22130

Valve Assembly

25

22L-60-22120

Element, Hydraulic Oil Filter

26

22F-60-31230

Case

27

07000-12125

O-ring

27

8A30-60-1101

Cyclone

28

Block

29

Cyclone

30

01252-70625

Bolt, Hexagon Socket Head

31

01643-30623

Washer

32

07043-70211

Plug

33

07000-12080

O-ring

34

01010-80620

Bolt

35

01643-30623

Washer

36

20M-62-82271

Nipple

37

07002-12434

O-ring

38

02782-10524

Elbow

39

07002-12434

O-ring

40

02896-11015

O-ring

41

02896-11008

O-ring

42

02896-11009

O-ring

43

22F-60-31260

Sheet

44

22L-60-22180

Cushion

45

22K-60-22180

Cushion

46

22F-60-31271

Sheet

47

22F-60-31281

Sheet

48

22J-03-25270

Tank Assembly, Reservoir

49

22F-03-31290

Hose

50

07285-00085

Clip, Hose

51

01010-81030

Bolt

52

01643-31032

Washer

53

22F-60-32170

Plate

54

01010-80816

Bolt

55

01643-30823

Washer

Выбрано товаров: 57