Качественные детали и логистика
Оригинальные и аналоговые запчасти с доставкой по России, Казахстану и Беларуси
©2022 PartSell ООО "Система" ИНН 2463123282 ОГРН 1212400004838
Центральный офис: г. Красноярск, Академика Киренского, д.87, пом.4
Телефон: 8 (800) 777-65-74 Email: zakaz@partsell.ru
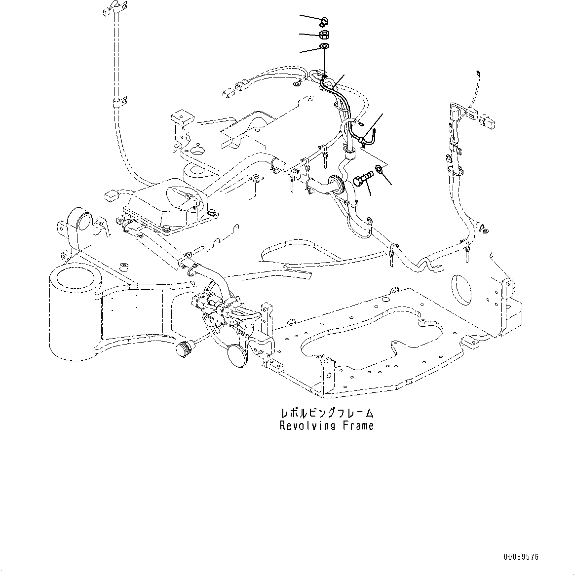
ДВИГАТЕЛЬ, ПРОВОДКА (№9-8)
№
Артикул
Название
Примечание
Количество
1
22L-06-21280
Cable
2
04434-51010
Clip
3
01010-81016
Bolt
4
01643-31032
Washer
5
08038-10519
Cap
6
01580-10605
Nut
7
01640-20610
Выбрано товаров: 0