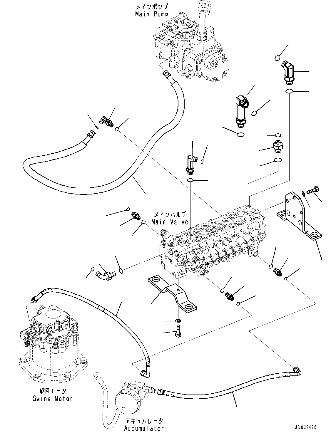
Запчасти Komatsu PC27MR-3 УПРАВЛЯЮЩ. КЛАПАН, СОЕДИНИТЕЛЬН. ЧАСТИ (/) (№9-) УПРАВЛЯЮЩ. КЛАПАН, -ДОПОЛН. АКТУАТОР ТРУБЫ

Схема запчастей Komatsu PC27MR-3 - УПРАВЛЯЮЩ. КЛАПАН, СОЕДИНИТЕЛЬН. ЧАСТИ (/) (№9-) УПРАВЛЯЮЩ. КЛАПАН, -ДОПОЛН. АКТУАТОР ТРУБЫ
19
18
17
16
32
31
30
35
34
33
28
27
26
22
21
20
15
14
13
12
11
10
9
8
7
6
5
4
3
2
1
29
23
24
25
36
FIT
1:1
100%

Артикул

Название

Примечание

Количество

1

22L-60-21221

Bracket

2

01010-81030

Bolt

3

01643-31032

Washer

4

22L-60-21231

Bracket

5

01010-80820

Bolt

6

01643-30823

Washer

7

22L-62-22531

Elbow

8

02896-11018

O-ring

9

07002-12434

O-ring

10

02782-1052A

Elbow

11

02896-11015

O-ring

12

07002-12434

O-ring

13

8255-62-4330

Union

14

02896-11009

O-ring

15

07002-12434

O-ring

16

20U-62-41880

Elbow

17

02896-11008

O-ring

18

07002-11423

O-ring

19

22L-62-39330

Hose

20

02782-10314

Elbow

21

02896-11009

O-ring

22

07002-11823

O-ring

23

02782-10210

Elbow

24

02896-11008

O-ring

25

07002-11423

O-ring

26

02781-0021D

Union

27

02896-11008

O-ring

28

07002-11423

O-ring

29

22L-62-22590

Nipple

30

02896-11008

O-ring

31

07002-11423

O-ring

32

22L-62-22863

Hose

33

02781-0021D

Union

34

02896-11008

O-ring

35

07002-11423

O-ring

36

02761-00205

Hose, Face Seal Type

Выбрано товаров: 0