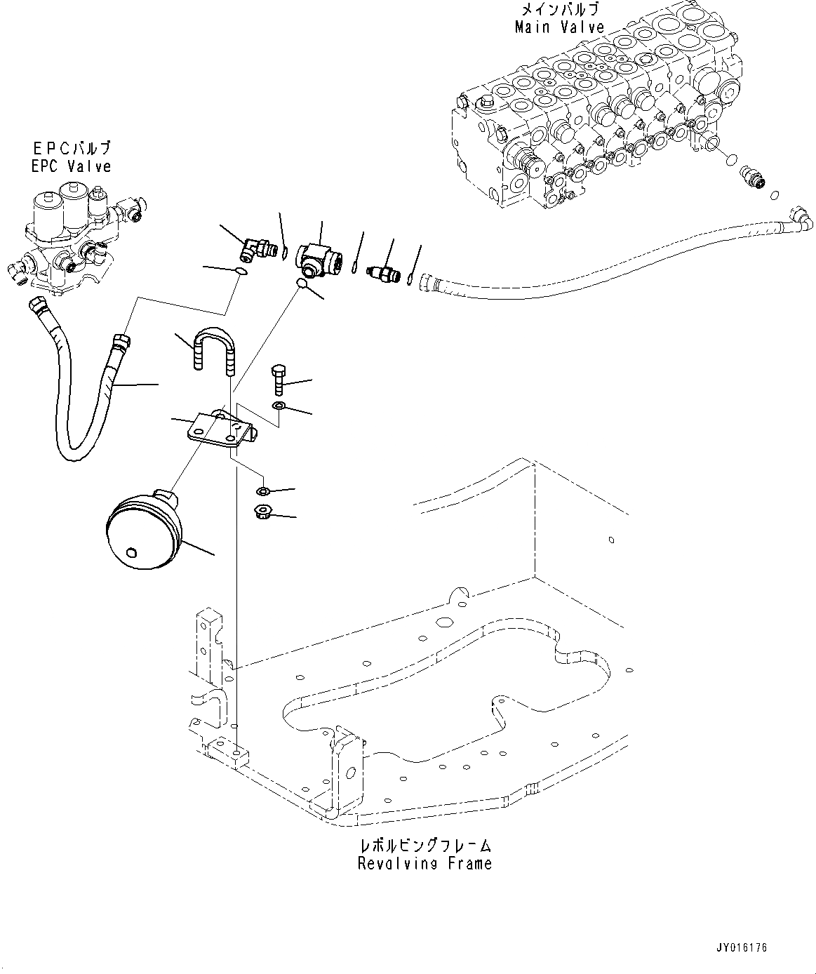
Запчасти Komatsu PC27MR-3 УПРАВЛЯЮЩ. КЛАПАН, АККУМУЛЯТОР ТРУБЫ (№9-) УПРАВЛЯЮЩ. КЛАПАН, -ДОПОЛН. АКТУАТОР ТРУБЫ

Схема запчастей Komatsu PC27MR-3 - УПРАВЛЯЮЩ. КЛАПАН, АККУМУЛЯТОР ТРУБЫ (№9-) УПРАВЛЯЮЩ. КЛАПАН, -ДОПОЛН. АКТУАТОР ТРУБЫ
16
9
11
15
3
2
4
1
5
6
7
8
13
12
14
10
FIT
1:1
100%

Артикул

Название

Примечание

Количество

1

20Y-60-11410

Accumulator

2

22F-62-34141

Bracket

3

07283-33442

Clip, Pipe

4

01643-31032

Washer

5

01597-01009

Nut

6

22F-62-35520

Tee

7

02782-10210

Elbow

8

02896-11008

O-ring

9

07002-11423

O-ring

10

22F-60-31910

Valve Assembly

10

22F-62-35530

Plug

10

22L-62-29220

Poppet

10

20U-62-41870

Nipple

11

22F-62-34960

Hose

12

07002-12034

O-ring

13

02896-11008

O-ring

14

07002-11423

O-ring

15

01010-81020

Bolt

16

01643-31032

Washer

Выбрано товаров: 19