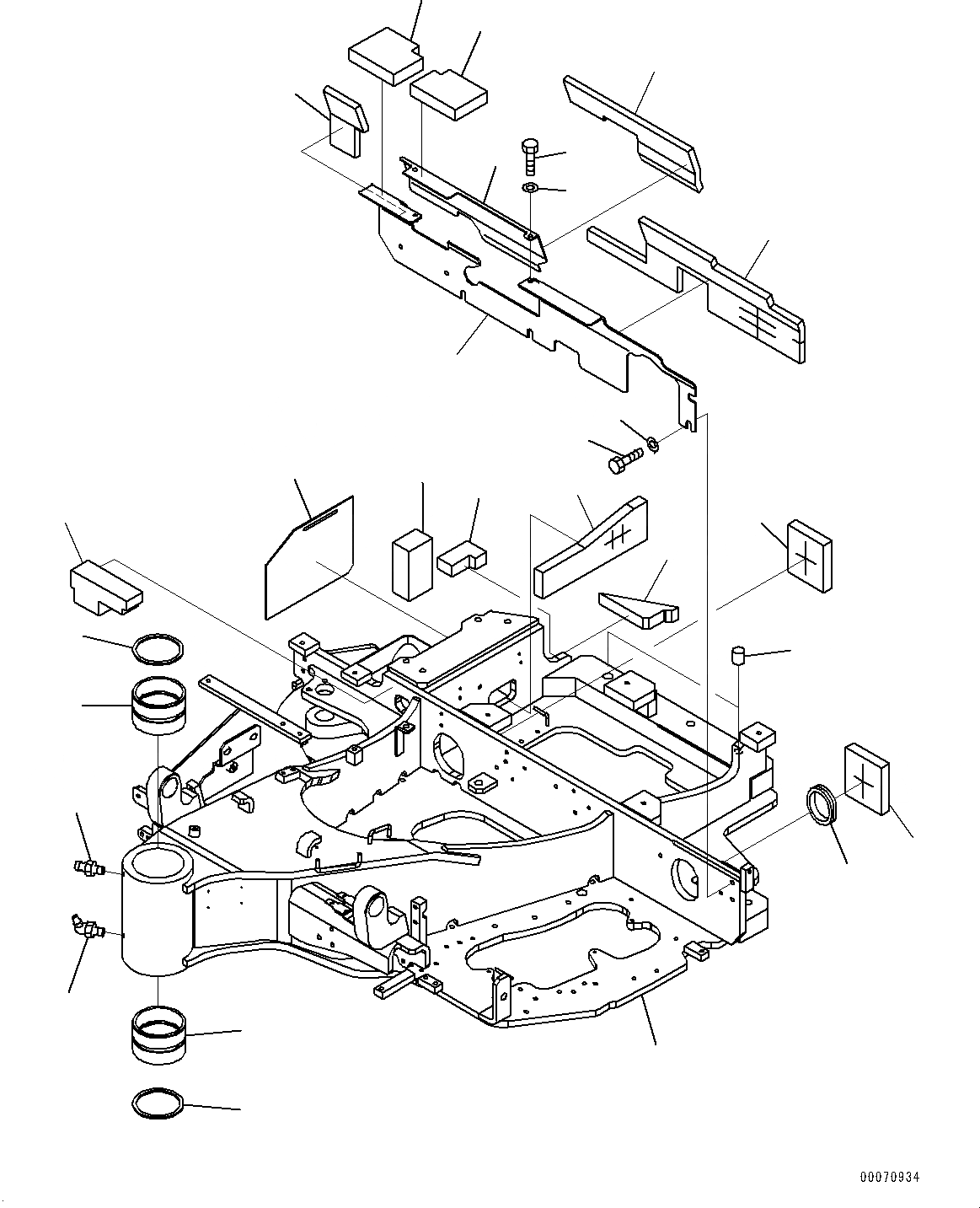
Запчасти Komatsu PC27MR-3 ОСНОВНАЯ РАМА (№9-) ОСНОВНАЯ РАМА

Схема запчастей Komatsu PC27MR-3 - ОСНОВНАЯ РАМА (№9-) ОСНОВНАЯ РАМА
14
2
3
4
3
2
5
17
16
6
19
1
18
21
22
9
15
20
23
13
8
19
12
7
10
11
24
25
FIT
1:1
100%

Артикул

Название

Примечание

Количество

1

22L-46-37112

Frame, Revolving

2

22L-46-31810

Bushing

3

07145-00095

Seal, Dust

4

07020-00000

Fitting, Grease

5

07020-00675

Fitting, Grease

6

22F-46-31122

Cover

7

22F-46-31160

Sheet

8

22F-46-31171

Sheet

9

22F-46-31710

Sheet

10

01010-81020

Bolt

11

01643-31032

Washer

12

22F-46-31151

Cover

13

22F-46-31180

Sheet

14

22F-46-31720

Sheet

15

01010-80816

Bolt

16

01643-30823

Washer

17

22L-46-21421

Sheet

18

20T-62-71790

Grommet

19

22L-46-21191

Sheet

20

22F-46-31140

Sheet

21

22F-46-31310

Sheet

22

22F-46-31191

Sheet

23

22F-46-31130

Sheet

24

22L-46-37121

Sheet

25

22F-46-31320

Sheet

Выбрано товаров: 0