Запчасти Komatsu PC27MR-3 ОСНОВН. КОНСТРУКЦИЯ, ПОЛ, PPC ТРУБЫ ДЛЯ ХОД КЛАПАН (№9-) ОСНОВН. КОНСТРУКЦИЯ, КРОМЕ ЯПОН., С МАСТЕР КЛЮЧ

Схема запчастей Komatsu PC27MR-3 - ОСНОВН. КОНСТРУКЦИЯ, ПОЛ, PPC ТРУБЫ ДЛЯ ХОД КЛАПАН (№9-) ОСНОВН. КОНСТРУКЦИЯ, КРОМЕ ЯПОН., С МАСТЕР КЛЮЧ
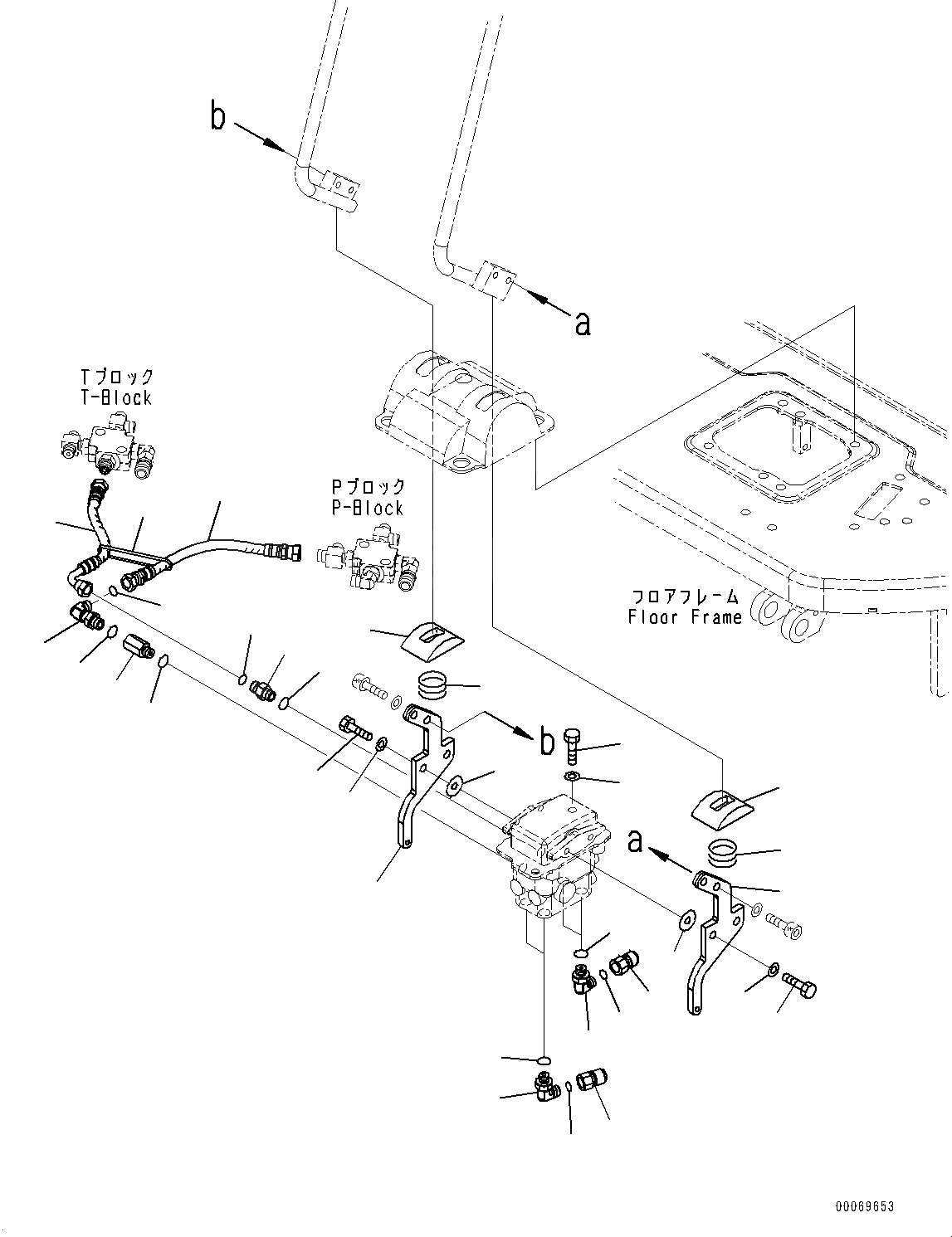
1
2
3
4
5
6
7
8
9
13
22
15
16
17
18
20
19
21
14
17
18
15
16
13
14
8
10
22
12
11
10
12
11
FIT
1:1
100%

Артикул

Название

Примечание

Количество

1

01010-81025

Bolt

2

01643-31032

Washer

3

11Y-62-12140

Nipple

4

07000-12011

O-ring

5

02896-11008

O-ring

6

21W-62-43970

Elbow

7

20T-910-8660

Nipple

8

07000-12011

O-ring

9

02896-11008

O-ring

10

21K-62-73110

Elbow

11

02896-11008

O-ring

12

07000-12011

O-ring

13

22J-43-26120

Plate

14

20Y-43-21260

Collar

15

203-43-51620

Spring

16

20Y-43-21140

Cover

17

01010-81030

Bolt

18

01643-31032

Washer

19

22F-62-33410

Hose, Blue-White

19

21U-62-34750

Band, Blue

19

21U-62-34770

Band, White

20

22M-62-23160

Hose, Green-Red

20

21U-62-34730

Band, Green

20

21U-62-34760

Band, Red

21

08034-20519

Band

22

22M-62-23330

Joint

Выбрано товаров: 26