Качественные детали и логистика
Оригинальные и аналоговые запчасти с доставкой по России, Казахстану и Беларуси
©2022 PartSell ООО "Система" ИНН 2463123282 ОГРН 1212400004838
Центральный офис: г. Красноярск, Академика Киренского, д.87, пом.4
Телефон: 8 (800) 777-65-74 Email: zakaz@partsell.ru
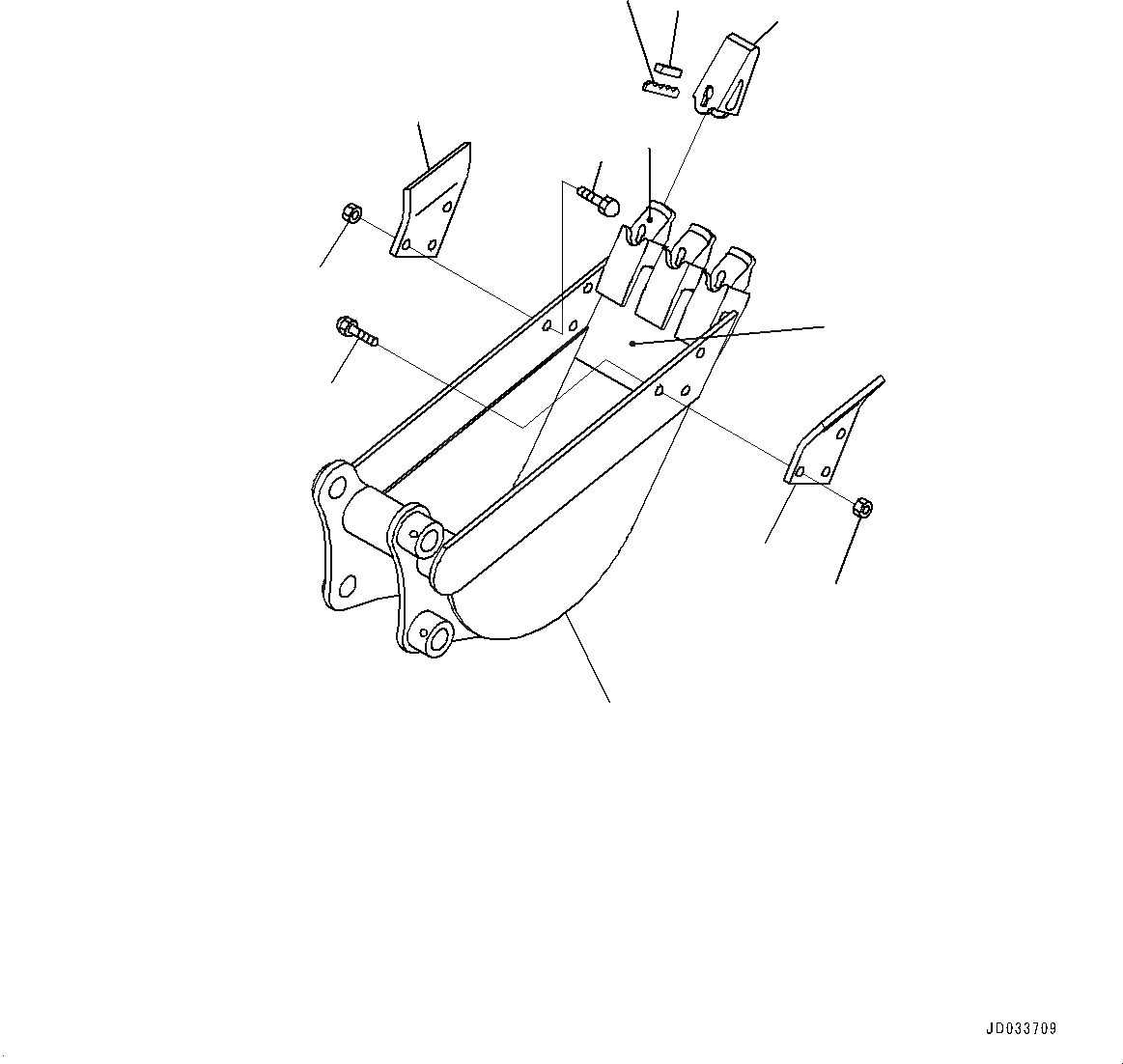
ЭКСКАВАТ. КОВШ (№9-)
№
Артикул
Название
Примечание
Количество
|$0
22L-926-2701
Bucket Assembly
1
22L-926-2711
Bucket
2
20T-70-72310
Adapter,Welded
3
21U-926-3320
Lip,Welded
4
20S-70-71330
Side Cutter,L.H.
5
20S-70-71340
Side Cutter,R.H.
6
20P-70-71351
Bolt
7
20P-70-71360
Nut
8
20T-70-72320
Tooth
9
20T-70-71960
Lock
10
20T-70-71950
Pin
Выбрано товаров: 0